Запчасти Komatsu PC360-7 КОВШ,.M,MM(ВЕРТИКАЛЬН. ПАЛЕЦ)(С РЕГУЛИРОВКОЙ)( ЧАС. СИСТЕМА СМАЗКИ) РАБОЧЕЕ ОБОРУДОВАНИЕ]

Схема запчастей Komatsu PC360-7 - КОВШ,.M,MM(ВЕРТИКАЛЬН. ПАЛЕЦ)(С РЕГУЛИРОВКОЙ)( ЧАС. СИСТЕМА СМАЗКИ) РАБОЧЕЕ ОБОРУДОВАНИЕ]
4
5
7
8
6
2
3
1
13
12
9
11
10
FIT
1:1
100%

Артикул

Название

Примечание

Количество

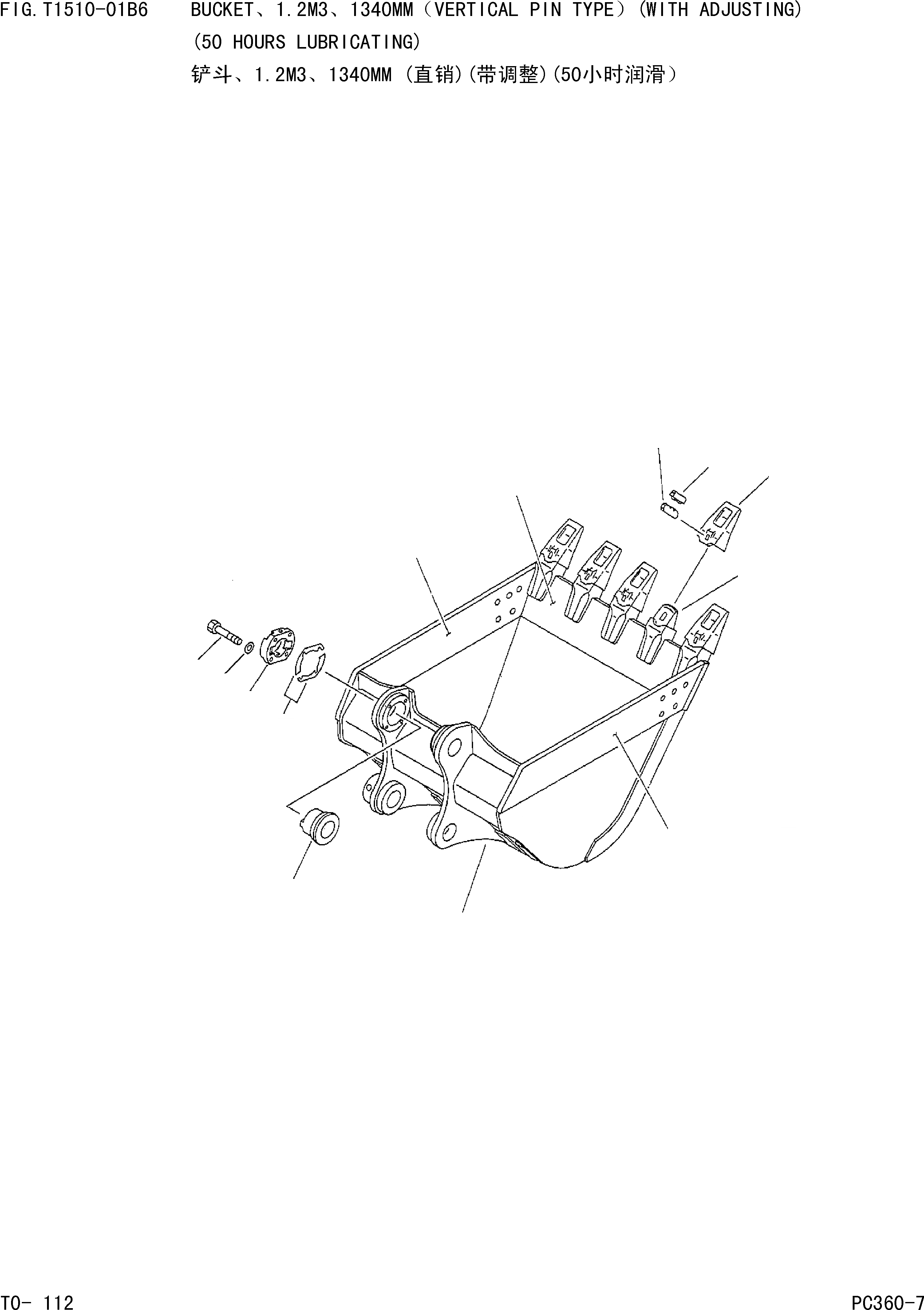
1

207-70-54111

BUCKET

2

207-70-34151

ADAPTER

3

207-70-54121

PLATE,L.H

4

207-70-54131

PLATE,R.H

5

207-70-54140

PLATE

6

207-70-34212

TOOTH

7

207-70-34221

PIN

8

205-70-74291

LOCK

9

207-70-34240

COVER

10

01010-62065

BOLT

11

01643-32060

WASHER

12

207-70-00061

SHIM ASS'Y

|$12

207-70-00060

SHIM ASS'Y

13

207-70-34230

BUSHING

Выбрано товаров: 14