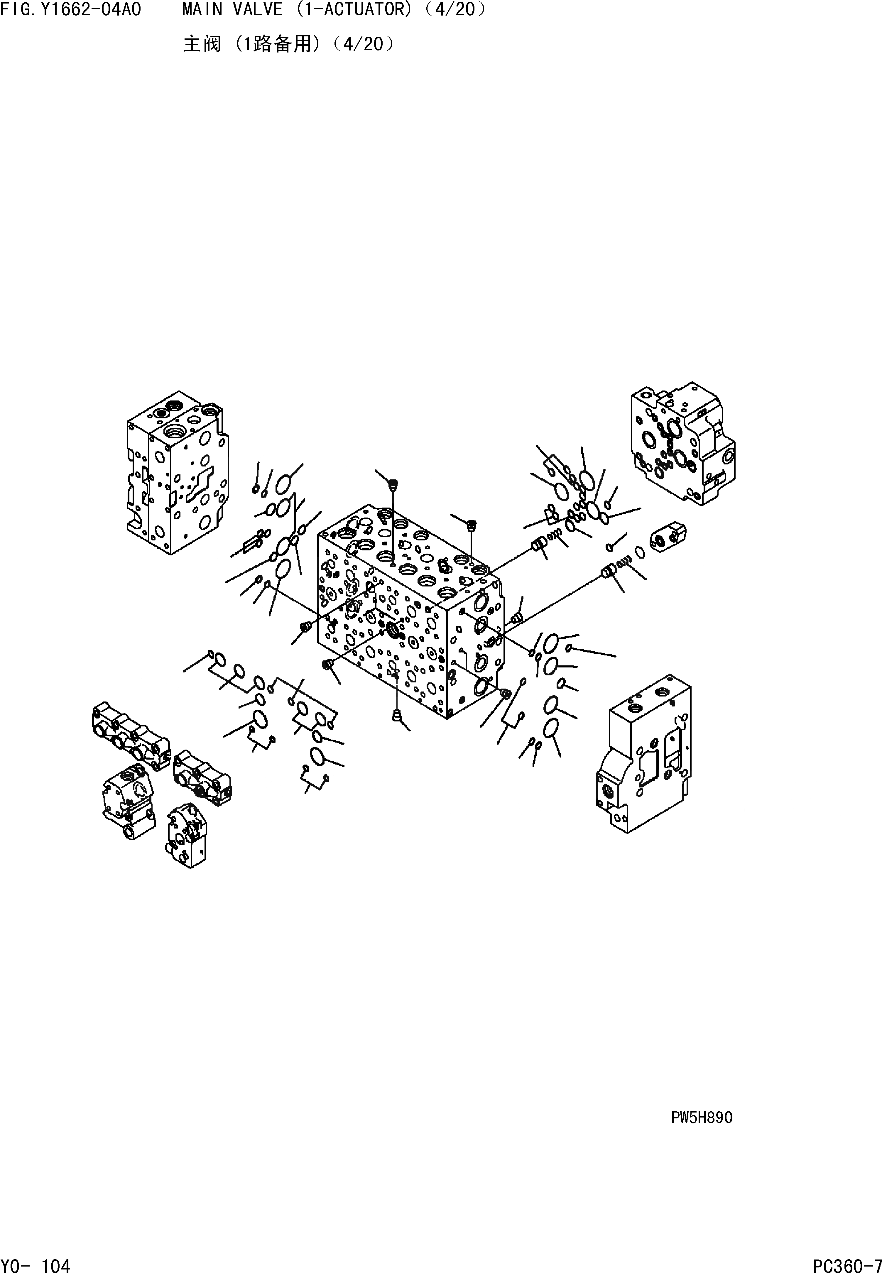
Запчасти Komatsu PC360-7 ОСНОВН. КЛАПАН (-АКТУАТОР)(/) ОСНОВН. КОМПОНЕНТЫ И РЕМКОМПЛЕКТЫ]

Схема запчастей Komatsu PC360-7 - ОСНОВН. КЛАПАН (-АКТУАТОР)(/) ОСНОВН. КОМПОНЕНТЫ И РЕМКОМПЛЕКТЫ]
3
2
7
6
14
12
9
13
3
2
7
13
1
5
4
6
11
15
1
15
5
4
6
11
15
15
15
6
1
8
6
1
4
1
4
17
16
15
1
16
17
2
7
9
6
10
6
3
15
9
2
3
7
FIT
1:1
100%

Артикул

Название

Примечание

Количество

|$0

723-48-26104

CONTROL VALVE

|$1

723-48-26103

CONTROL VALVE THESE ASSEMBLIES CONSIST OF ALL PARTS SHOWN IN FIGS.Y1662-01A0 TO Y1662-20A0.

|$2

BODY SUB ASS'Y

1

07000-12012

O-RING

2

723-11-19130

O-RING

3

723-46-17520

RING,BACK-UP

4

07000-12021

O-RING

5

07000-13028

O-RING

6

07000-13032

O-RING

7

723-46-17510

O-RING

8

07000-13036

O-RING

9

723-46-17530

O-RING

10

723-11-18150

O-RING

11

702-16-53920

O-RING

12

723-46-18710

O-RING

13

722-12-19070

O-RING

14

723-46-18720

O-RING

15

PLUG

16

723-46-15150

VALVE

17

723-46-14150

SPRING

Выбрано товаров: 20