Запчасти Komatsu PC360-7 КРЕПЛЕНИЕ ТОПЛ. НАСОСА ДВИГАТЕЛЬ]

Схема запчастей Komatsu PC360-7 - КРЕПЛЕНИЕ ТОПЛ. НАСОСА ДВИГАТЕЛЬ]
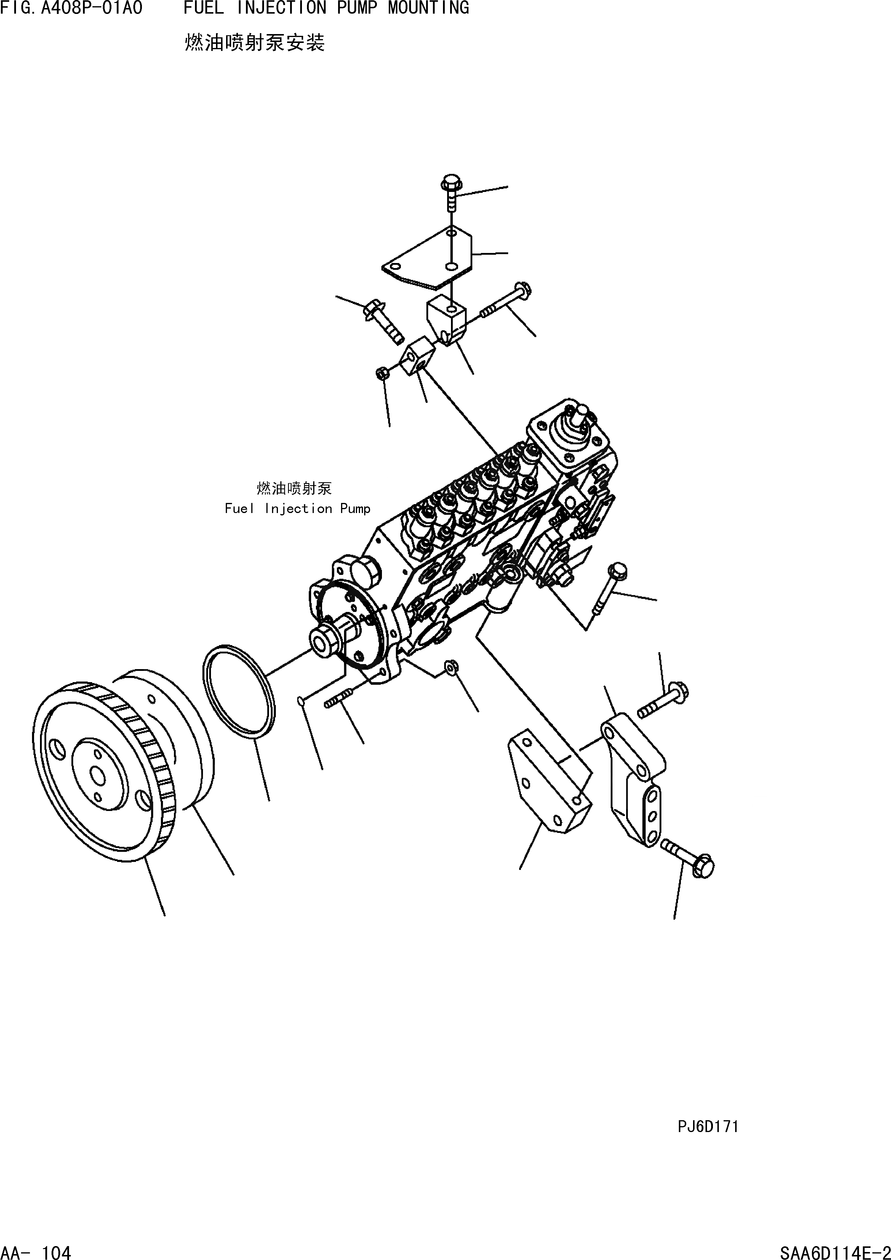
1
2
5
6
3
4
10
9
8
11
7
16
17
14
15
13
12
18
FIT
1:1
100%

Артикул

Название

Примечание

Количество

|$0

6743-71-3200

GEAR ASS'Y

1

6743-71-3210

GEAR

2

6743-71-3220

DAMPER

3

6738-71-3120

STUD

4

6736-81-6170

NUT

5

6733-71-5560

SEAL(K2)

6

6742-01-5507

SEAL(K2)

7

01435-00885

BOLT

8

6741-71-1810

BRACE

9

01435-01040

BOLT

10

6743-71-1820

BRACKET

11

01435-01040

BOLT

12

6743-71-1840

PLATE

13

01435-01016

BOLT

14

6743-71-1850

BRACKET

15

6736-21-3230

BOLT

16

6732-71-3210

NUT

17

6743-71-1860

SUPPORT

18

6742-01-5505

BOLT

Выбрано товаров: 19