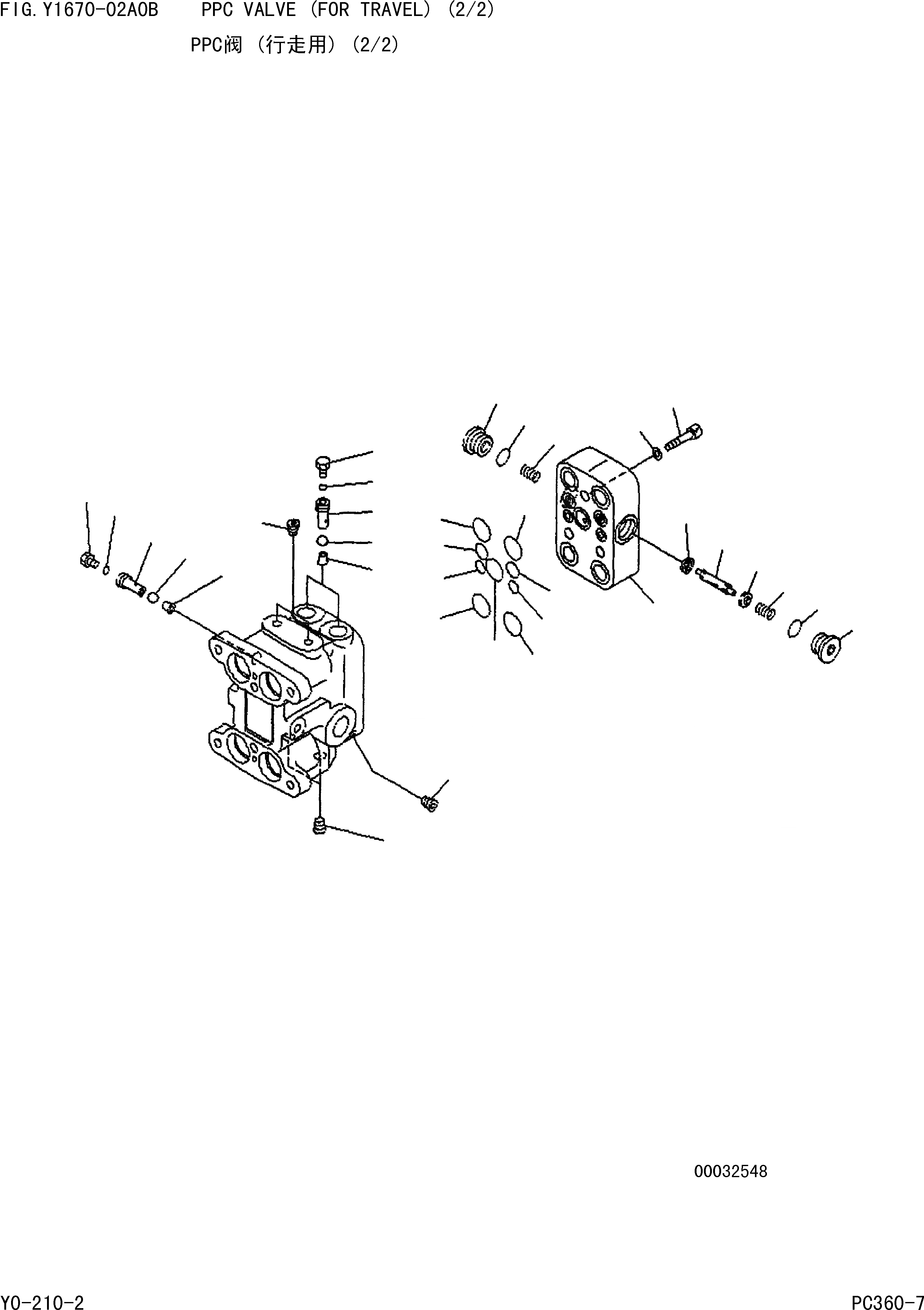
Запчасти Komatsu PC360-7 КЛАПАН PPC(ДЛЯ ХОДА)(/) ОСНОВН. КОМПОНЕНТЫ И РЕМКОМПЛЕКТЫ]

Схема запчастей Komatsu PC360-7 - КЛАПАН PPC(ДЛЯ ХОДА)(/) ОСНОВН. КОМПОНЕНТЫ И РЕМКОМПЛЕКТЫ]
13
14
12
20
19
11
10
11
12
14
13
15
9
16
17
15
18
15
17
16
15
3
4
6
5
7
8
2
3
4
6
5
7
1
FIT
1:1
100%

Артикул

Название

Примечание

Количество

|$0

702-16-04250

PILOT VALVE THESE ASSEMBLIES CONSIST OF ALL PARTS SHOWN IN FIGS.Y1670-01A0 TO Y1670-02A0.

1

PLUG

2

PLUG

3

07040-11209

PLUG

4

07002-11223

O-RING

5

BALL

6

702-16-55940

PLUG

7

702-16-55950

SEAT

8

SCREW

9

BODY,VALVE

10

SPOOL

11

702-16-57440

RETAINER

12

702-16-57450

SPRING

13

723-11-15110

PLUG

14

07002-11623

O-RING

15

07000-12015

O-RING

16

07000-11010

O-RING

17

07000-11007

O-RING

18

700-22-11410

O-RING

19

01252-60835

BOLT

20

01643-50823

WASHER

Выбрано товаров: 0