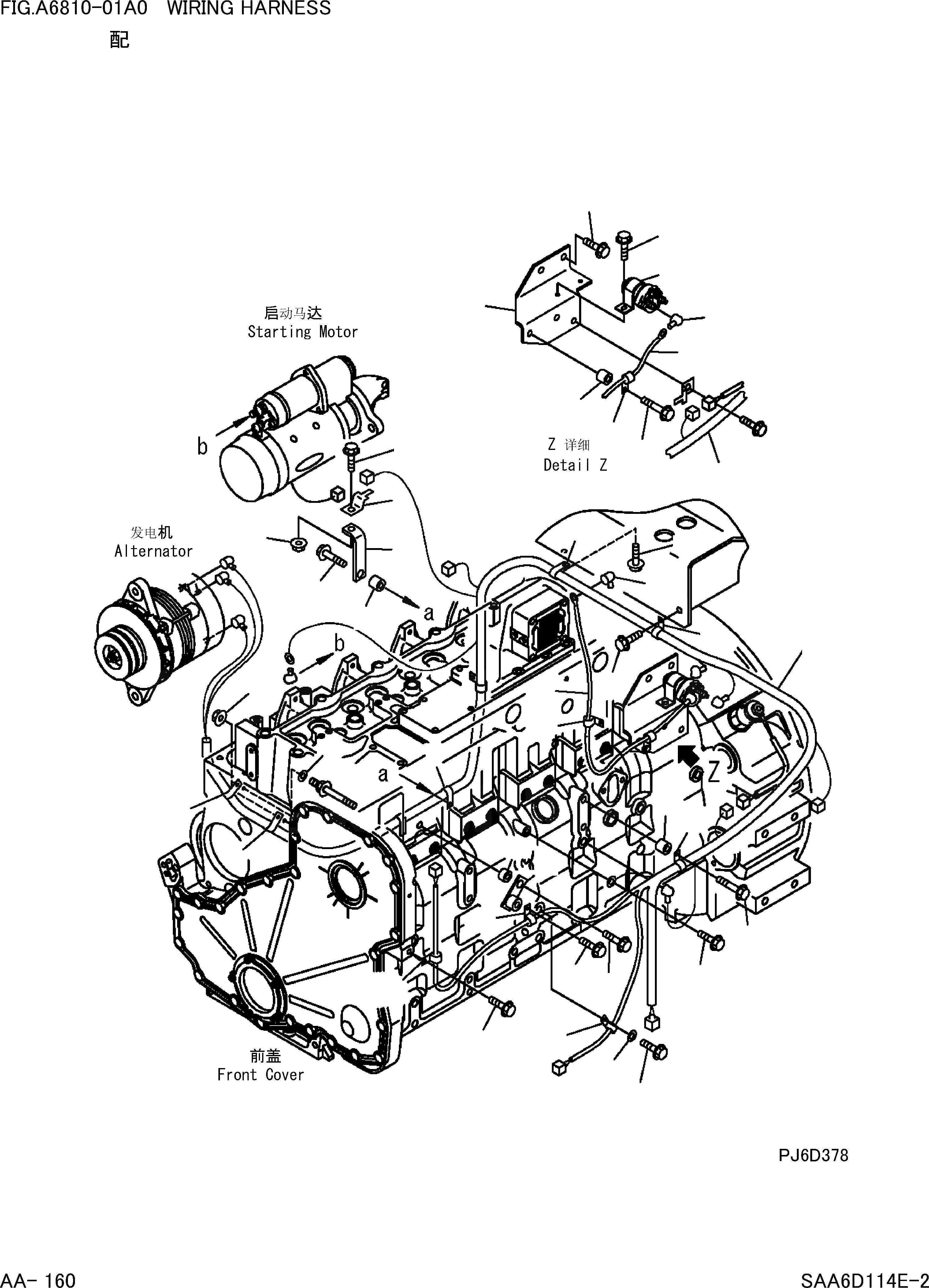
Запчасти Komatsu PC360-7 ПРОВОДКА ДВИГАТЕЛЬ]

Схема запчастей Komatsu PC360-7 - ПРОВОДКА ДВИГАТЕЛЬ]
26
27
20
22
21
27
25
19
36
26
23
24
34
35
1
14
15
32
37
8
33
13
12
3
2
2
4
11
7
5
6
9
10
31
30
29
28
33
32
1
17
18
16
FIT
1:1
100%

Артикул

Название

Примечание

Количество

1

6743-81-8310

WIRING HARNESS

2

04434-51408

CLIP

3

01643-30623

WASHER

4

01584-00605

NUT

5

6631-11-5630

SPACER

6

6206-11-5930

BRACKET

7

01435-00835

BOLT

8

04434-51408

CLIP

9

08193-20010

CLIP

10

01435-00814

BOLT

11

01584-00806

NUT

12

04434-51510

CLIP

13

01435-01014

BOLT

14

04434-51510

CLIP

15

01435-01020

BOLT

16

6631-11-5630

SPACER

17

01435-01035

BOLT

18

04434-51610

CLIP

19

01435-00812

BOLT

20

01434-50612

CLIP

21

01435-01220

BOLT

22

01643-31232

WASHER

23

6131-12-5920

SPACER

24

426-06-11570

BRACKET

25

01435-01030

BOLT

26

04434-50510

CLIP

27

01435-01014

BOLT

28

600-815-2170

SWITCH,HEATER

29

01435-00612

BOLT

30

6743-81-9130

BRACKET

31

01435-01020

BOLT

32

6211-81-4290

WIRE

33

08038-10519

CAP

34

6631-11-5630

SPACER

35

04434-50610

CLIP

36

01435-01040

BOLT

37

04434-50608

CLIP

Выбрано товаров: 37