Запчасти Komatsu PC360-8M0 АКТУАТОР ТРУБЫ(-ДОПОЛН. АКТУАТОР ТРУБЫ, АККУМУЛЯТОР)(ОСНОВН. ТРУБЫ, ПРАВ.) H [ГИДРАВЛИКА]

Схема запчастей Komatsu PC360-8M0 - АКТУАТОР ТРУБЫ(-ДОПОЛН. АКТУАТОР ТРУБЫ, АККУМУЛЯТОР)(ОСНОВН. ТРУБЫ, ПРАВ.) H [ГИДРАВЛИКА]
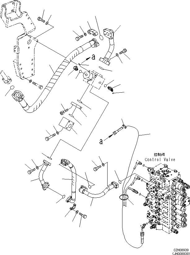
38
34
14
4
6
5
16
15
23
22
10
9
26
27
24
31
25
34
33
11
12
28
32
29
19
17
20
18
21
29
8
7
1
3
2
35
36
37
13
30
39
39
FIT
1:1
100%

Артикул

Название

Примечание

Количество

1

11Y-62-12160

ELBOW

2

02896-11008

O-RING

3

07002-11423

O-RING

4

11Y-62-12170

ELBOW

5

02896-11008

O-RING

6

07002-12034

O-RING

7

01010-81040

BOLT

8

01643-31032

WASHER

9

207-62-73150

TUBE

10

07000-13048

O-RING

11

01010-81455

BOLT

12

01643-31445

WASHER, FLAT

13

207-62-73190

TUBE

14

07000-13035

O-RING

15

07372-21040

BOLT

16

01643-51032

WASHER

17

207-62-73260

PLATE

18

07000-13048

O-RING

19

01252-71225

BOLT

20

207-62-73230

BLOCK

21

07000-13048

O-RING

22

01011-81210

BOLT

23

01643-31232

WASHER

24

207-62-73180

TUBE

25

07000-13035

O-RING

26

07372-21040

BOLT

27

01643-51032

WASHER

28

207-62-73290

HOSE

29

07000-13032

O-RING

30

07371-31049

FLANGE, SPLIT

31

07372-21035

BOLT

32

01643-51032

WASHER

33

207-62-73280

HOSE

34

07000-13048

O-RING

35

07371-51470

FLANGE, SPLIT

36

01010-81455

BOLT

37

01643-31445

WASHER, FLAT

38

207-62-42210

HOSE ASSEMBLY

39

08034-20536

BAND

Выбрано товаров: 39