Запчасти Komatsu PC360-8M0 СИСТЕМА ОХЛАЖДЕНИЯЈЁС АВТОМАТИЧ. КОНДИЦ. ВОЗДУХАЈ© (КОЖУХ) (/) C [СИСТЕМА ОХЛАЖДЕНИЯ]

Схема запчастей Komatsu PC360-8M0 - СИСТЕМА ОХЛАЖДЕНИЯЈЁС АВТОМАТИЧ. КОНДИЦ. ВОЗДУХАЈ© (КОЖУХ) (/) C [СИСТЕМА ОХЛАЖДЕНИЯ]
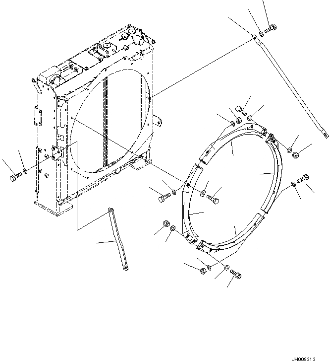
1
2
3
4
5
6
7
8
9
10
11
12
13
1
1
1
2
3
5
4
4
5
2
2
3
3
4
5
FIT
1:1
100%

Артикул

Название

Примечание

Количество

1

207-03-42310

SHROUD

2

01010-81035

BOLT

3

01643-31032

WASHER

4

01596-01009

NUT, LANGED

5

01643-31032

WASHER

6

203-54-56970

WASHER

7

01010-81030

BOLT

8

207-03-71211

STAY

9

01010-81640

BOLT

10

01643-31645

WASHER

11

207-03-72790

STAY

12

01010-81635

BOLT

13

01643-31645

WASHER

Выбрано товаров: 13