Запчасти Komatsu PC360-8M0 СИСТЕМА ОХЛАЖДЕНИЯЈЁС АВТОМАТИЧ. КОНДИЦ. ВОЗДУХАЈ© (SUB-БАК) C [СИСТЕМА ОХЛАЖДЕНИЯ]

Схема запчастей Komatsu PC360-8M0 - СИСТЕМА ОХЛАЖДЕНИЯЈЁС АВТОМАТИЧ. КОНДИЦ. ВОЗДУХАЈ© (SUB-БАК) C [СИСТЕМА ОХЛАЖДЕНИЯ]
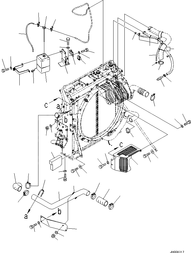
1
2
3
4
5
6
7
9
10
11
12
13
14
15
16
17
18
19
20
21
22
23
25
26
28
29
30
31
32
33
34
35
36
37
38
39
40
41
42
43
44
16
17
24
7
8
8
3
4
10
9
24
27
27
FIT
1:1
100%

Артикул

Название

Примечание

Количество

1

01010-81640

BOLT

2

01643-31645

WASHER

3

01010-81640

BOLT

4

21T-54-16150

WASHER

5

207-01-D1120

TUBE

6

207-01-72372

HOSE

7

207-01-75340

CLAMP

8

07283-37663

CLIP

9

01643-31032

WASHER

10

01597-01009

NUT

11

207-03-72191

BRACKET

12

01010-81230

BOLT

13

01643-31232

WASHER

14

207-01-75340

CLAMP

15

207-03-72131

GUARD

16

01010-81225

BOLT

17

01643-31232

WASHER

18

207-03-75330

NIPPLE

19

207-03-72810

HOSE ASSEMBLY

20

11Y-09-11140

CLIP

21

207-03-72620

HOSE

22

207-01-75340

CLAMP

23

07299-00080

CLAMP, SE

24

07289-00070

CLAMP

25

07281-00359

CLAMP, SE

26

11Y-09-11140

CLIP

27

134-03-61410

BAND

28

207-03-72651

SEAL

29

419-03-21320

TANK, SERVOIR

30

421-03-22170

CAP

31

08055-00282

CONNECTOR

32

207-03-72691

BRACKET

33

207-03-72711

BAND

34

01010-81025

BOLT

35

01643-31032

WASHER

36

01010-80612

BOLT

37

01643-30623

WASHER

38

22U-03-27951

HOSE

39

206-03-43340

CLIP

40

20Y-979-6271

BRACKET

Выбрано товаров: 40