Запчасти Komatsu PC360-8M0 КАБИНА(ПОЛ, КЛАПАН PPCКРЕПЛЕНИЕ ДЛЯ РАБОЧ. ОБОРУД-Я, ПРАВ.) K [КАБИНА ОПЕРАТОРА И СИСТЕМА УПРАВЛЕНИЯ]

Схема запчастей Komatsu PC360-8M0 - КАБИНА(ПОЛ, КЛАПАН PPCКРЕПЛЕНИЕ ДЛЯ РАБОЧ. ОБОРУД-Я, ПРАВ.) K [КАБИНА ОПЕРАТОРА И СИСТЕМА УПРАВЛЕНИЯ]
7
11
8
10
11
9
9
11
11
10
8
7
4
4
3
1
2
5
6
FIT
1:1
100%

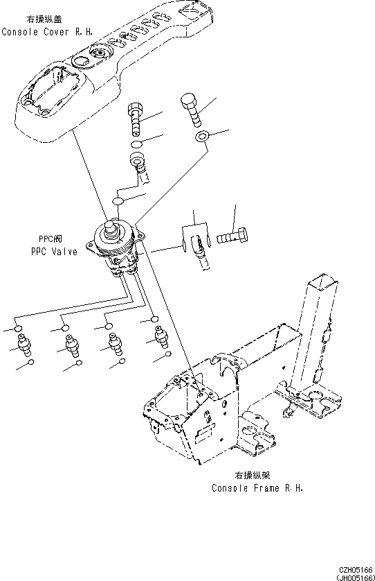
Артикул

Название

Примечание

Количество

1

01010-80820

BOLT

2

01643-30823

WASHER

3

20Y-62-18910

PLUG

4

07000-12018

O-RING

5

20Y-62-18890

BOLT, JOINT

6

07000-12015

O-RING

7

11Y-62-12130

NIPPLE

8

02896-11008

O-RING

9

11Y-62-12520

UNION

10

02896-11009

O-RING

11

07002-11423

O-RING

Выбрано товаров: 11