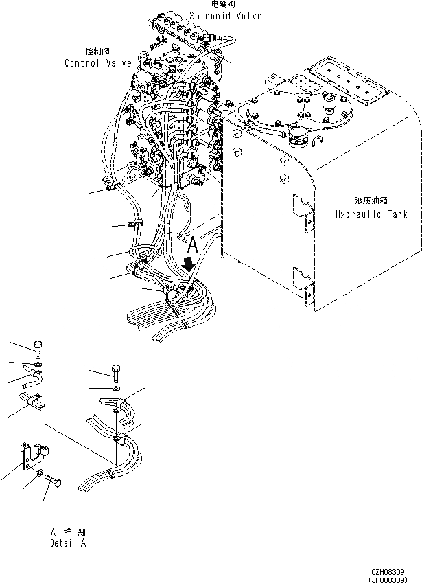
Запчасти Komatsu PC360-8M0 ПРОПОРЦИОНАЛЬН. PRESSURE УПРАВЛ-Е (PPC) ТРУБЫ K [КАБИНА ОПЕРАТОРА И СИСТЕМА УПРАВЛЕНИЯ]

Схема запчастей Komatsu PC360-8M0 - ПРОПОРЦИОНАЛЬН. PRESSURE УПРАВЛ-Е (PPC) ТРУБЫ K [КАБИНА ОПЕРАТОРА И СИСТЕМА УПРАВЛЕНИЯ]
2
8
5
5
9
8
1
4
6
7
6
7
2
3
3
1
7
6
FIT
1:1
100%

Артикул

Название

Примечание

Количество

1

207-62-22210

BRACKET

2

04434-51812

CLIP

3

20Y-62-15951

CLIP

4

04434-52712

CLIP

5

04435-51512

CLIP

6

01010-81230

BOLT

7

01643-31232

WASHER

8

08034-20536

BAND

9

08034-20536

BAND

Выбрано товаров: 0