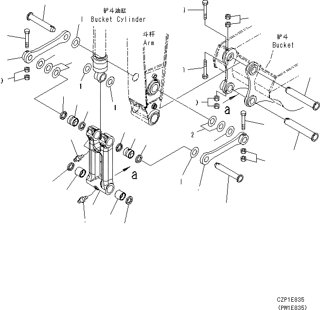
Запчасти Komatsu PC360-8M0 РУКОЯТЬ (СОЕДИНЕНИЕ КОВША) T [РАБОЧЕЕ ОБОРУДОВАНИЕ]

Схема запчастей Komatsu PC360-8M0 - РУКОЯТЬ (СОЕДИНЕНИЕ КОВША) T [РАБОЧЕЕ ОБОРУДОВАНИЕ]
11
1
3
2
2
4
4
5
5
5
5
6
6
11
11
11
11
8
8
9
10
7
9
10
7
10
9
9
10
5
5
11
12
12
3
FIT
1:1
100%

Артикул

Название

Примечание

Количество

|$1

207-70-01430

LINK ASSEMBLY

1

LINK

2

207-70-33160

BUSHING

3

207-70-33160

BUSHING

4

07020-00000

FITTING, GREASE

5

207-70-D2120

SEAL, DUST

|$7

207-70-72120

SEAL, DUST

6

207-70-77460

LINK

7

207-70-73210

PIN

8

207-70-33141

PIN

9

208-70-73160

BOLT

10

01580-12419

NUT

11

207-70-24190

SPACER, T=0.8MM

12

207-70-24210

SPACER, T=1.5MM

Выбрано товаров: 14