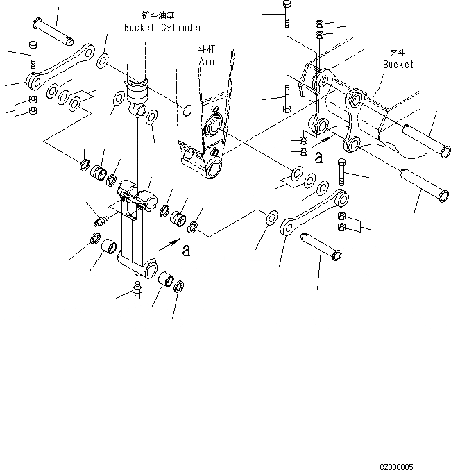
Запчасти Komatsu PC360-8M0 РУКОЯТЬ (MM РУКОЯТЬЈ¬СОЕДИНЕНИЕ КОВШАЈ© T [РАБОЧЕЕ ОБОРУДОВАНИЕ]

Схема запчастей Komatsu PC360-8M0 - РУКОЯТЬ (MM РУКОЯТЬЈ¬СОЕДИНЕНИЕ КОВШАЈ© T [РАБОЧЕЕ ОБОРУДОВАНИЕ]
8
9
10
9
10
11
9
6
10
12
5
3
5
5
3
5
12
9
10
7
7
8
6
5
2
2
5
11
11
11
1
4
11
11
4
FIT
1:1
100%

Артикул

Название

Примечание

Количество

|$1

207-70-01430

LINK ASSY

1

207-70-77470

LINK

2

207-70-33160

BUSHING

3

207-70-33160

BUSHING

4

07020-00000

FITTING

5

207-70-D2120

SEAL

|$7

207-70-72120

SEAL

6

207-70-77460

LINK

7

207-70-73210

PIN

8

207-70-33141

PIN

9

208-70-73160

BOLT

10

01580-12419

NUT

11

207-70-24190

SPACER

12

207-70-24210

SPACER

Выбрано товаров: 14