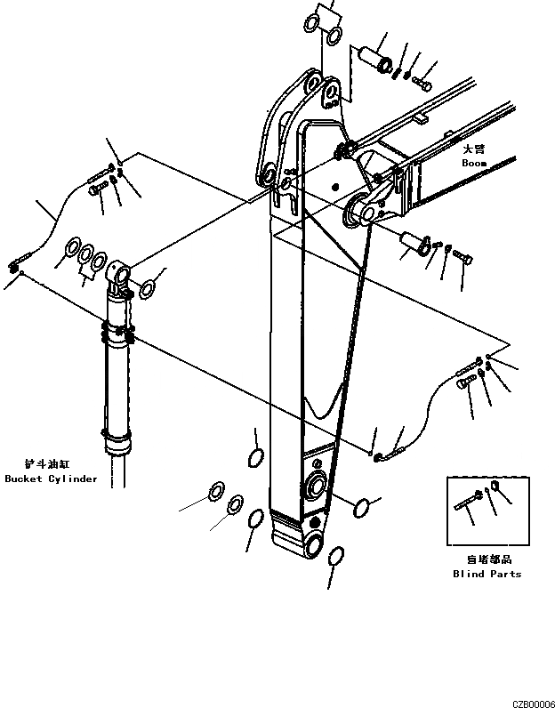
Запчасти Komatsu PC360-8M0 РУКОЯТЬ (MM РУКОЯТЬЈ¬ ЧАС. СМАЗКА INTERVAL) (ПАТРУБКИ ЦИЛИНДРА КОВША И ПАЛЕЦЈ© T [РАБОЧЕЕ ОБОРУДОВАНИЕ]

Схема запчастей Komatsu PC360-8M0 - РУКОЯТЬ (MM РУКОЯТЬЈ¬ ЧАС. СМАЗКА INTERVAL) (ПАТРУБКИ ЦИЛИНДРА КОВША И ПАЛЕЦЈ© T [РАБОЧЕЕ ОБОРУДОВАНИЕ]
3
1
2
5
4
13
12
13
8
9
15
16
14
8
6
7
11
10
13
14
16
15
17
13
12
19
12
13
19
21
20
18
18
FIT
1:1
100%

Артикул

Название

Примечание

Количество

1

208-70-61241

PIN

2

205-70-66581

PLATE

3

207-70-31340

SPACER

4

01010-81235

BOLT

5

01643-31232

WASHER

6

207-70-61221

PIN

7

205-70-66581

PLATE

8

207-70-24190

SPACER

9

207-70-24210

SPACER

10

01010-81235

BOLT

11

01643-31232

WASHER

12

207-62-76850

HOSE

13

07000-13032

O-RING

14

07371-31049

FRANGE SPLIT

15

07372-21035

BOLT

16

01643-51032

WASHER

17

07379-01044

FLANGE

18

207-70-33181

O-RING

19

205-70-73280

O-RING

20

207-70-24190

SPACER,T=0.8MM

21

207-70-24210

SPACER,T=1.5MM

Выбрано товаров: 21