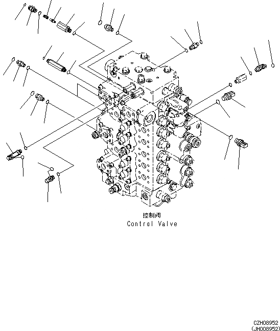
Запчасти Komatsu PC360-8M0 УПРАВЛЯЮЩ. КЛАПАН (БЕЗ -ДОПОЛН. АКТУАТОР ТРУБЫ, АККУМУЛЯТОР) (УПРАВЛЯЮЩ. КЛАПАН КОМПОНЕНТЫ) (/) H [ГИДРАВЛИКА]

Схема запчастей Komatsu PC360-8M0 - УПРАВЛЯЮЩ. КЛАПАН (БЕЗ -ДОПОЛН. АКТУАТОР ТРУБЫ, АККУМУЛЯТОР) (УПРАВЛЯЮЩ. КЛАПАН КОМПОНЕНТЫ) (/) H [ГИДРАВЛИКА]
11
12
10
6
9
16
15
14
13
8
7
6
5
4
3
2
1
5
4
14
13
17
9
8
7
24
23
18
19
20
21
22
27
26
25
FIT
1:1
100%

Артикул

Название

Примечание

Количество

1

02781-0021D

UNION

2

02896-11008

O-RING

3

07002-11423

O-RING

4

11Y-62-12520

UNION

5

02896-11009

O-RING

6

07002-11423

O-RING

7

02782-10210

ELBOW

8

02896-11008

O-RING

9

07002-11423

O-RING

10

02782-10212

ELBOW

11

02896-11008

O-RING

12

07002-11423

O-RING

13

7861-93-1812

SENSOR, PRESSURE

14

07002-61823

O-RING

15

22L-62-22590

NIPPLE

16

02896-11008

O-RING

17

07002-11423

O-RING

|$18

20Y-62-41701

VALVE ASSEMBLY

18

BODY

19

20Y-60-22270

POPPET

20

701-20-61230

SPRING

21

07002-11423

O-RING

22

20Y-62-47630

NIPPLE

23

02896-11008

O-RING

24

07002-11423

O-RING

25

207-62-71531

UNION

26

02896-11008

O-RING

27

07002-11423

O-RING

Выбрано товаров: 0