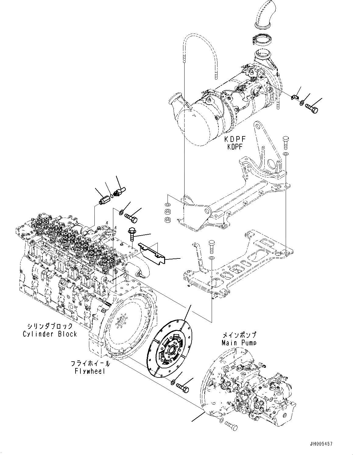
Запчасти Komatsu PC360LC-10 КОМПОНЕНТЫ ДВИГАТЕЛЯ, ДЕМПФЕР КОМПОНЕНТЫ ДВИГАТЕЛЯ

Схема запчастей Komatsu PC360LC-10 - КОМПОНЕНТЫ ДВИГАТЕЛЯ, ДЕМПФЕР КОМПОНЕНТЫ ДВИГАТЕЛЯ
6
7
11
3
1
2
4
5
10
9
8
13
12
14
FIT
1:1
100%

Артикул

Название

Примечание

Количество

1

207-01-71310

Disc

2

01010-81225

Bolt

3

01643-31232

Washer

4

01010-81220

Bolt

5

01643-31232

Washer

6

207-01-41431

Cover

7

01435-40825

Bolt

8

08057-14010

Clip

9

01010-81020

Bolt

10

01643-31032

Washer

11

207-979-4211

Nipple

12

207-979-4221

Tee

13

07002-12034

O-ring

14

708-2G-00140

Pump Assembly, Piston

Выбрано товаров: 14