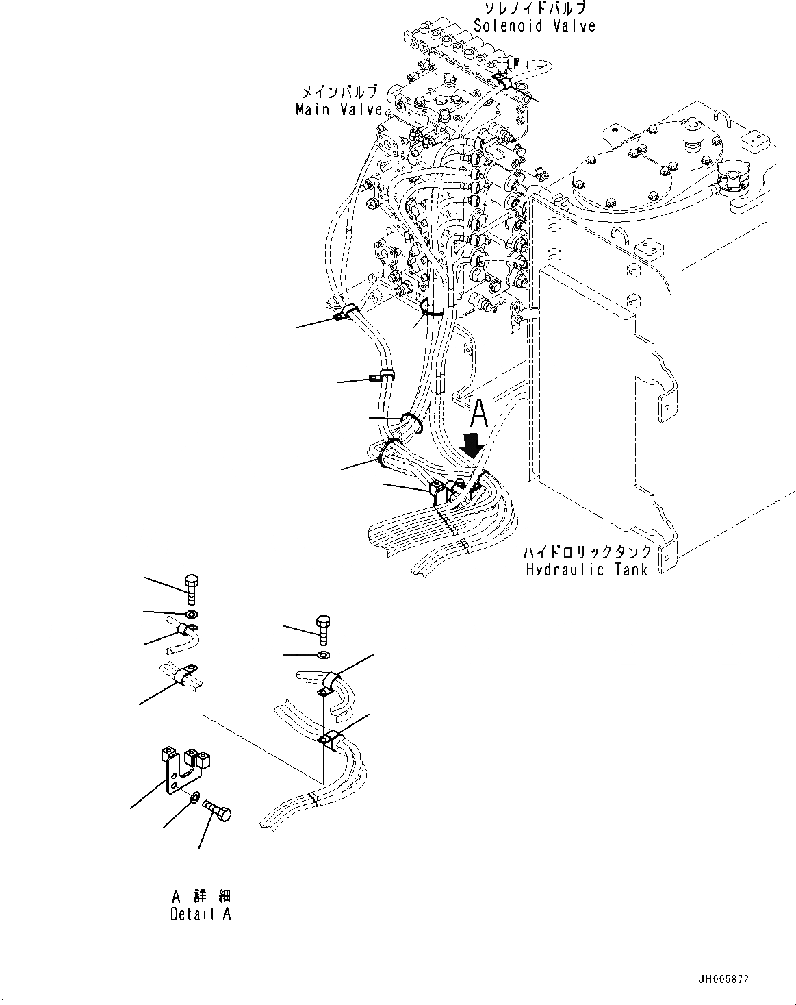
Запчасти Komatsu PC360LC-10 PPC ТРУБЫ КРЕПЛЕНИЕ, С -СЕРВИСНЫЙ КЛАПАН PPC ТРУБЫ КРЕПЛЕНИЕ, С -СЕРВИСНЫЙ КЛАПАН

Схема запчастей Komatsu PC360LC-10 - PPC ТРУБЫ КРЕПЛЕНИЕ, С -СЕРВИСНЫЙ КЛАПАН PPC ТРУБЫ КРЕПЛЕНИЕ, С -СЕРВИСНЫЙ КЛАПАН
1
2
3
4
5
6
7
8
9
11
10
12
14
1
12
14
13
14
FIT
1:1
100%

Артикул

Название

Примечание

Количество

1

207-62-42531

Bracket

2

01010-81230

Bolt

3

01643-31232

Washer

4

581-04-22290

Clip

5

04434-51812

Clip

6

01010-81230

Bolt

7

01643-31232

Washer

8

20Y-62-15951

Clip

9

04434-52712

Clip

10

01010-81230

Bolt

11

01643-31232

Washer

12

04435-51512

Clip

13

04434-51812

Clip

14

08034-20536

Band

Выбрано товаров: 14