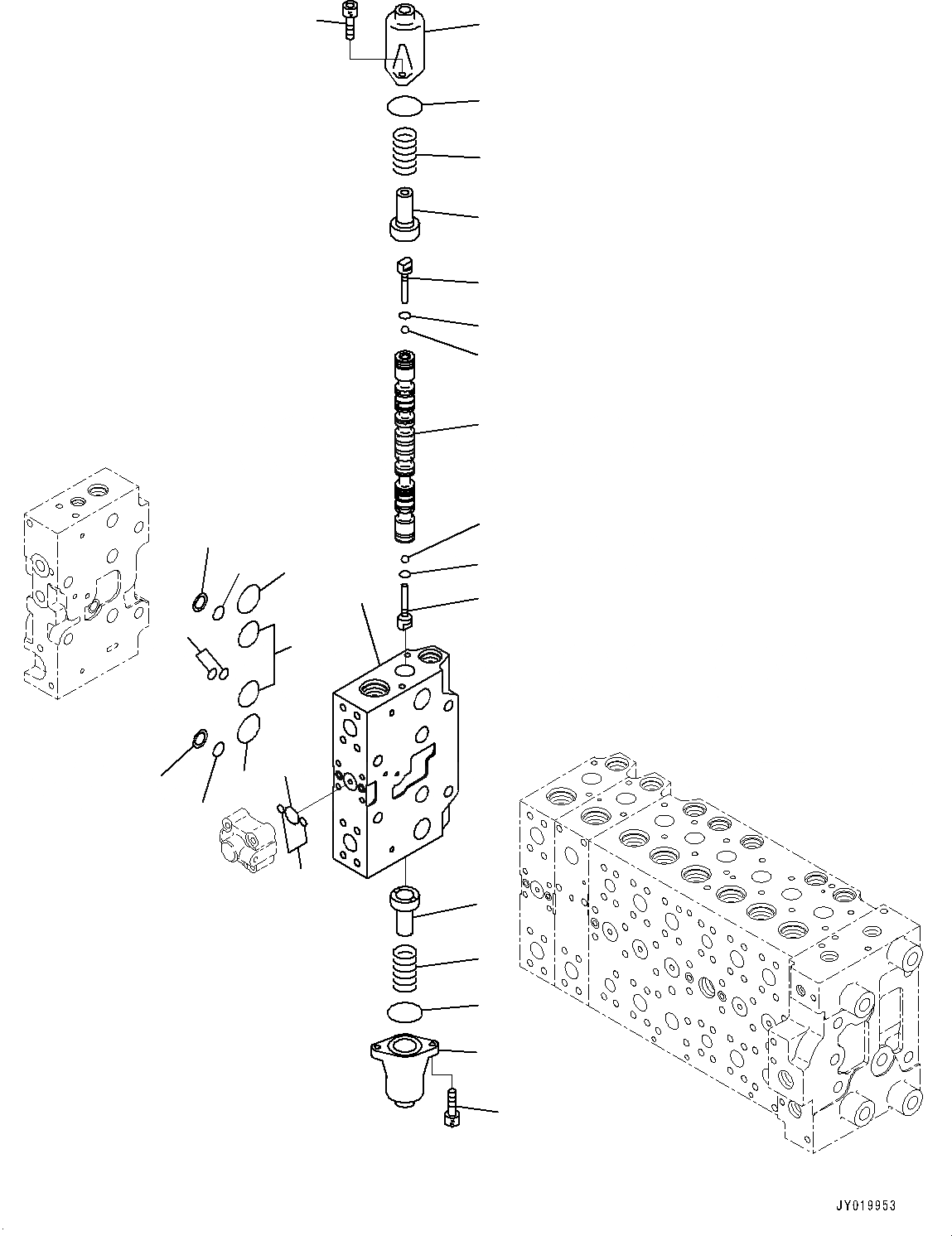
Запчасти Komatsu PC360LC-10 УПРАВЛЯЮЩ. КЛАПАН, 9-СЕКЦИОНН. (/) (№7-) УПРАВЛЯЮЩ. КЛАПАН, С -ДОПОЛН. АКТУАТОР ТРУБЫ, АККУМУЛЯТОР, СТРЕЛА И РУКОЯТЬ ANTI-DROP КЛАПАН

Схема запчастей Komatsu PC360LC-10 - УПРАВЛЯЮЩ. КЛАПАН, 9-СЕКЦИОНН. (/) (№7-) УПРАВЛЯЮЩ. КЛАПАН, С -ДОПОЛН. АКТУАТОР ТРУБЫ, АККУМУЛЯТОР, СТРЕЛА И РУКОЯТЬ ANTI-DROP КЛАПАН
11
12
1
5
4
3
10
3
4
5
2
15
14
15
17
13
10
8
9
7
6
6
7
9
8
13
16
16
FIT
1:1
100%

Артикул

Название

Примечание

Количество

|$0

723-49-26900

Valve Assembly, Control

|$1

Body Subassembly

1

Valve Body

2

Spool

3

723-46-15130

Plug

4

07002-10823

O-ring

5

708-7T-16460

Ball

6

723-46-15120

Retainer

7

723-46-14110

Spring

8

723-46-15111

Case

9

07430-71380

O-ring

10

01252-60820

Bolt, Hexagon Socket Head

11

07000-11009

O-ring

12

07000-12021

O-ring

13

723-46-17530

O-ring

14

723-11-19130

O-ring

15

723-46-17520

Ring, Back-up

16

07000-13032

O-ring

17

723-46-17510

O-ring

Выбрано товаров: 19