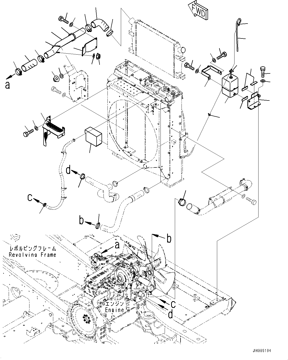
Запчасти Komatsu PC360LC-10 СИСТЕМА ОХЛАЖДЕНИЯ, SUB-БАК (№7-) СИСТЕМА ОХЛАЖДЕНИЯ, С АВТОМАТИЧ. КОНДИЦ. ВОЗДУХА

Схема запчастей Komatsu PC360LC-10 - СИСТЕМА ОХЛАЖДЕНИЯ, SUB-БАК (№7-) СИСТЕМА ОХЛАЖДЕНИЯ, С АВТОМАТИЧ. КОНДИЦ. ВОЗДУХА
1
10
17
13
7
21
15
2
12
11
16
6
5
8
9
14
18
3
3
4
19
22
20
22
34
31
27
26
24
27
26
33
32
30
25
23
24
28
29
FIT
1:1
100%

Артикул

Название

Примечание

Количество

1

207-03-41471

Tube

2

207-03-41440

Hose

3

207-01-75340

Clamp

4

07283-37663

Clip

5

01643-31032

Washer

6

01597-01009

Nut

7

207-03-41491

Bracket

8

01010-81230

Bolt

9

01643-31232

Washer

10

07283-37663

Clip

11

01643-31032

Washer

12

01597-01009

Nut

13

207-01-75340

Clamp

14

207-03-41611

Guard

15

01010-81230

Bolt

16

01643-31232

Washer

17

207-03-41451

Hose

18

207-01-75340

Clamp

19

207-01-75340

Clamp

20

07281-00359

Clamp, Hose

21

207-03-41630

Seal

22

07289-00070

Clamp

23

207-03-41811

Bracket

24

205-03-71440

Sheet

25

207-03-41821

Band

26

01010-81030

Bolt

27

01643-31032

Washer

28

419-03-21320

Tank, Reservoir

29

421-03-22170

Cap

30

208-03-58310

Hose

31

206-03-43340

Clip

32

01010-81230

Bolt

33

01643-31232

Washer

34

206-03-43340

Clip

Выбрано товаров: 34