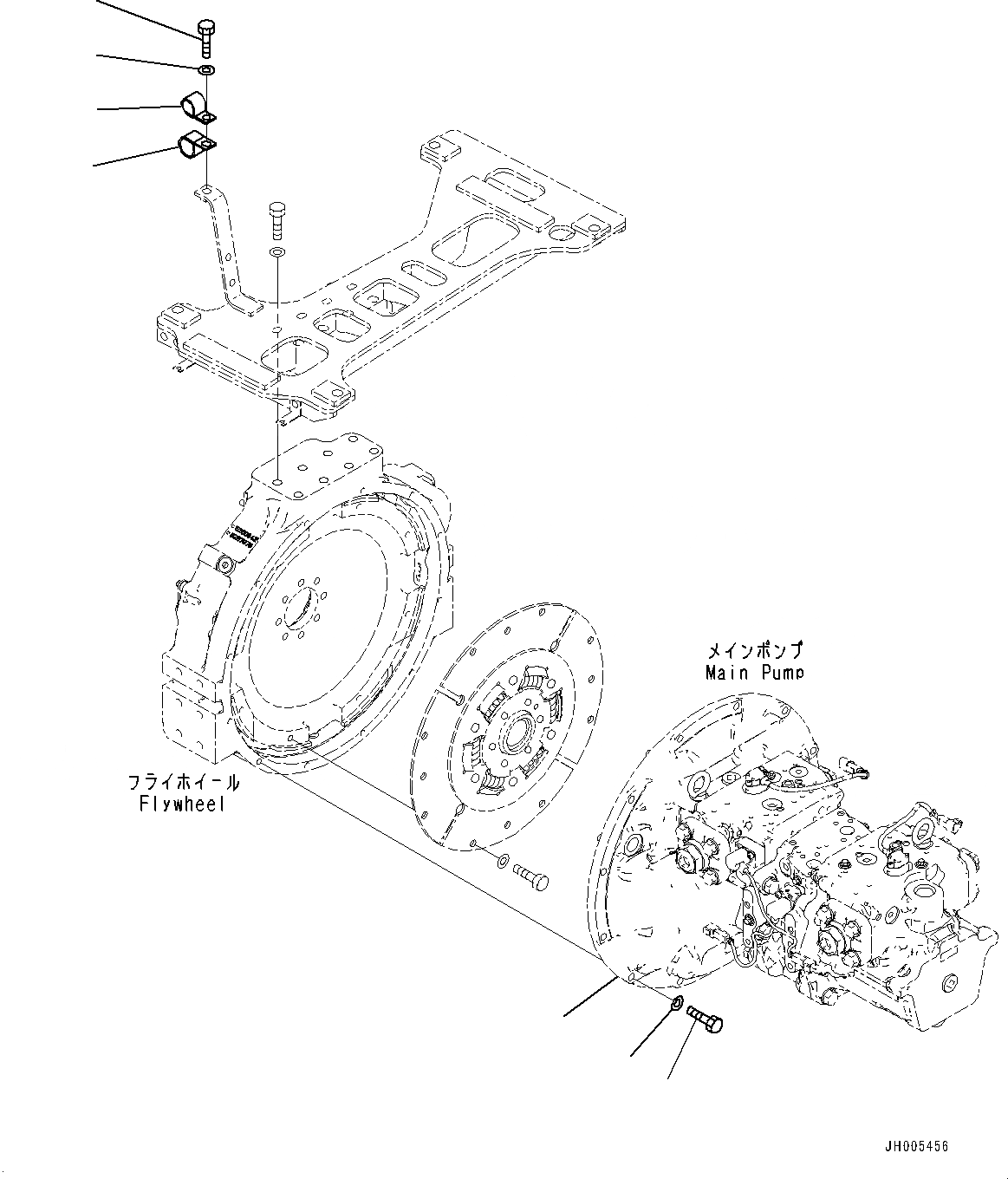
Запчасти Komatsu PC360LC-10 КОМПОНЕНТЫ ДВИГАТЕЛЯ, НАСОС КРЕПЛЕНИЕ (№7-) КОМПОНЕНТЫ ДВИГАТЕЛЯ

Схема запчастей Komatsu PC360LC-10 - КОМПОНЕНТЫ ДВИГАТЕЛЯ, НАСОС КРЕПЛЕНИЕ (№7-) КОМПОНЕНТЫ ДВИГАТЕЛЯ
3
4
6
5
1
2
7
FIT
1:1
100%

Артикул

Название

Примечание

Количество

1

01010-81240

Bolt

2

01643-31232

Washer

3

04434-52512

Clip

4

04434-53212

Clip

5

01010-81230

Bolt

6

01643-31232

Washer

7

708-2G-00140

Pump Assembly, Piston

|$7

708-2G-00170

Pump Assembly

|$8

708-2G-00171

Pump Assembly

Выбрано товаров: 9