Запчасти Komatsu PC360LC-10 ГИДР. БАК. (№7-) ГИДР. БАК.

Схема запчастей Komatsu PC360LC-10 - ГИДР. БАК. (№7-) ГИДР. БАК.
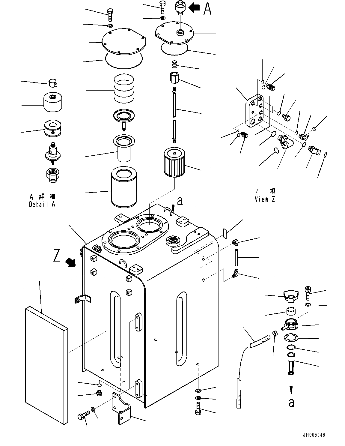
1
2
3
4
5
6
7
8
9
10
11
12
13
14
15
16
17
18
19
20
21
22
23
24
25
26
27
28
29
30
31
32
33
34
35
36
37
38
39
40
51
52
53
54
55
56
41
42
43
44
45
46
47
48
49
50
1
2
58
59
57
FIT
1:1
100%

Артикул

Название

Примечание

Количество

1

207-60-41170

Tank

2

203-60-31100

Elbow Assembly

3

203-60-31160

Tube

4

07044-12412

Plug

5

07002-12434

O-ring

6

02782-10315

Elbow

7

07002-12034

O-ring

8

02896-11009

O-ring

9

02783-10628

Elbow

10

07002-12434

O-ring

11

02896-11018

O-ring

12

02782-10422

Elbow

13

07002-12034

O-ring

14

02896-11012

O-ring

15

02782-10311

Elbow

16

07002-11423

O-ring

17

02896-11009

O-ring

18

21W-62-42640

Elbow

19

07002-13334

O-ring

20

207-62-64740

O-ring

21

07040-12012

Plug

22

07002-12034

O-ring

23

207-60-71182

Element, Hydraulic Oil Filter

24

20Y-60-31140

Strainer

25

20Y-60-31131

Valve Assembly

26

20Y-60-21240

Spring

27

2A5-60-11150

Cover

28

07000-15195

O-ring

29

01010-81230

Bolt

30

01643-31232

Washer

|$30

207-60-41120

Strainer Assembly

31

208-60-41131

Rod Assembly

32

12R-60-11230

Spring

33

20Y-60-21320

Holder

34

22B-60-11160

Strainer

35

207-60-41131

Cover

36

07000-15160

O-ring

37

01010-81230

Bolt

38

01643-31232

Washer

38

198-60-55510

Breather

39

421-60-35170

Element

40

421-60-35180

Cover

41

421-60-35190

Nut

42

22U-60-31120

Cap Assembly

43

20Y-60-21470

Element

44

208-60-71181

Filler Neck

45

20Y-60-21340

Gasket

46

01252-70516

Bolt

47

01601-20513

Washer

48

07285-00220

Clip

49

207-60-41210

Hose

50

07056-10045

Strainer

51

04065-04718

Ring, Snap

52

207-60-41151

Sheet

53

205-00-73360

Plate, Operating

54

01010-81640

Bolt

55

418-18-31160

Washer

56

195-03-11570

Shim, T=1.0mm

57

207-54-42690

Bracket

58

01010-81230

Bolt

59

01643-31232

Washer

Выбрано товаров: 61