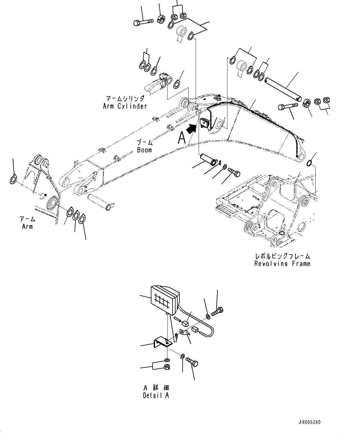
Запчасти Komatsu PC360LC-10 СТРЕЛА, ПАЛЕЦ ЦИЛИНДРА И ЛАМПА РАБОЧ. ОСВЕЩЕНИЯ (№7-) СТРЕЛА, MM УСИЛ. ТИП

Схема запчастей Komatsu PC360LC-10 - СТРЕЛА, ПАЛЕЦ ЦИЛИНДРА И ЛАМПА РАБОЧ. ОСВЕЩЕНИЯ (№7-) СТРЕЛА, MM УСИЛ. ТИП
14
12
9
7
8
2
1
14
16
10
11
13
12
6
3
4
9
7
8
25
10
5
15
21
18
20
22
17
19
23
17
24
25
FIT
1:1
100%

Артикул

Название

Примечание

Количество

1

207-70-61192

Pin

2

205-70-66581

Plate

3

01010-81235

Bolt

4

01643-31232

Washer

5

07145-00110

Seal, Dust

6

207-70-31172

Pin

7

207-70-31242

Plate

8

207-70-13340

Bolt

9

01580-12419

Nut

10

207-70-71251

Spacer, T=1.0mm

11

207-70-71261

Spacer, T=2.0mm

12

207-70-72371

Spacer, T=1.0mm

13

207-70-72381

Spacer, T=2.0mm

14

207-70-72391

Spacer, T=2.0mm

15

207-70-72421

Spacer, T=2.5mm

16

207-70-72431

Spacer, T=3.0mm

17

21T-06-32810

Working Lamp Assembly

17

421-06-23330

Bulb, 70watt

18

20Y-06-21551

Bracket

19

01010-81430

Bolt

20

01643-31445

Washer, Flat

21

04434-51012

Clip

22

01010-81220

Bolt

23

01643-31232

Washer

24

08193-20012

Clip

25

207-06-75161

Wiring Harness

Выбрано товаров: 26