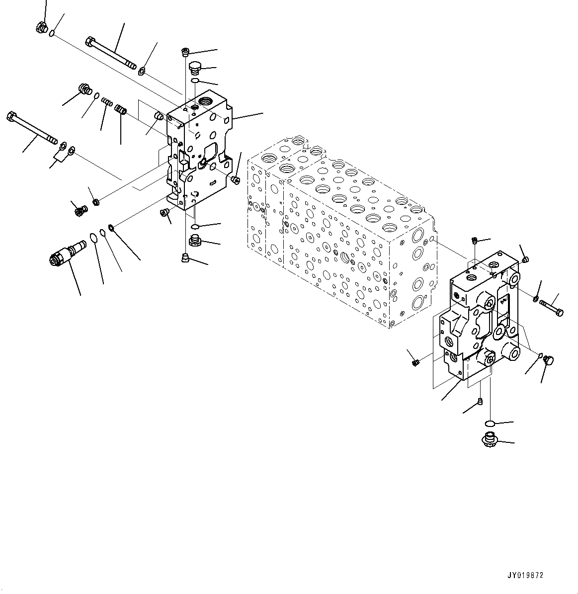
Запчасти Komatsu PC360LC-10 УПРАВЛЯЮЩ. КЛАПАН, 8-СЕКЦИОНН. (7/) (№798-) УПРАВЛЯЮЩ. КЛАПАН, С -СЕРВИСНЫЙ КЛАПАН

Схема запчастей Komatsu PC360LC-10 - УПРАВЛЯЮЩ. КЛАПАН, 8-СЕКЦИОНН. (7/) (№798-) УПРАВЛЯЮЩ. КЛАПАН, С -СЕРВИСНЫЙ КЛАПАН
1
2
7
20
21
13
12
14
15
16
17
24
23
2
7
2
2
24
23
3
19
18
6
6
5
5
23
7
5
6
22
4
5
11
10
9
8
FIT
1:1
100%

Артикул

Название

Примечание

Количество

|$0

723-48-26800

Valve Assembly, Control

|$1

723-46-00660

Cover Assembly

1

Cover

2

Plug

3

Plug

3

723-46-00970

Cover Assembly

4

Cover

5

Plug

6

708-8E-16250

Plug

7

07002-11823

O-ring

8

723-46-17600

Plug Assembly

9

07002-11423

O-ring

10

07000-11007

O-ring

11

07001-01007

Ring, Back-up

12

723-40-82220

Filter

13

723-46-17550

Plug

14

723-46-15190

Valve

15

723-46-14140

Spring

16

708-8E-16160

Plug

17

07002-11023

O-ring

18

709-74-91860

Plug

19

07002-12434

O-ring

20

708-8H-11530

Plug

21

07002-11423

O-ring

22

01010-61490

Bolt

23

01643-31445

Washer, Flat

24

723-46-15220

Bolt

Выбрано товаров: 27