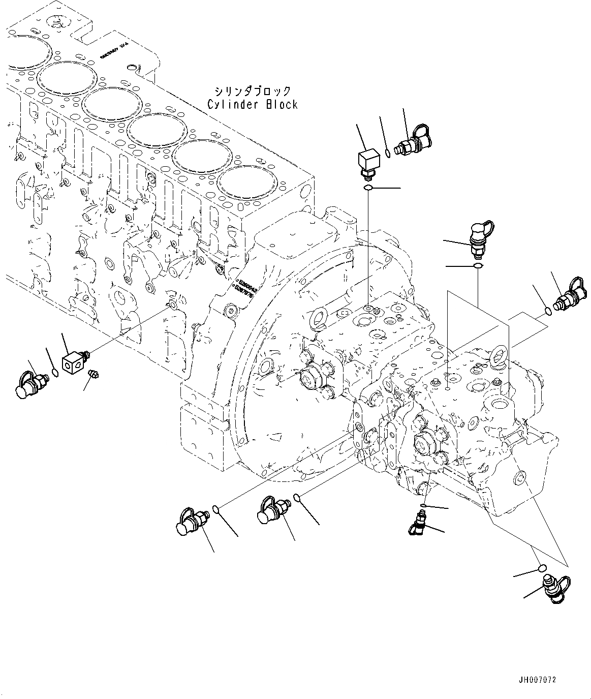
Запчасти Komatsu PC360LC-10 ПЕРИОДИЧ. ОБСЛУЖ. SERVICE СОЕДИН-ЕS (№7-) ПЕРИОДИЧ. ОБСЛУЖ. SERVICE СОЕДИН-ЕS

Схема запчастей Komatsu PC360LC-10 - ПЕРИОДИЧ. ОБСЛУЖ. SERVICE СОЕДИН-ЕS (№7-) ПЕРИОДИЧ. ОБСЛУЖ. SERVICE СОЕДИН-ЕS
3
1
2
1
2
2
1
2
1
2
1
4
1
2
1
2
5
7
6
8
FIT
1:1
100%

Артикул

Название

Примечание

Количество

1

799-101-5220

Nipple

2

07002-11023

O-ring

3

207-62-72820

Elbow

4

07002-11023

O-ring

5

207-62-72810

Adapter

6

195-49-36120

Nipple

7

6215-81-9710

O-ring

8

07042-70108

Plug

Выбрано товаров: 8