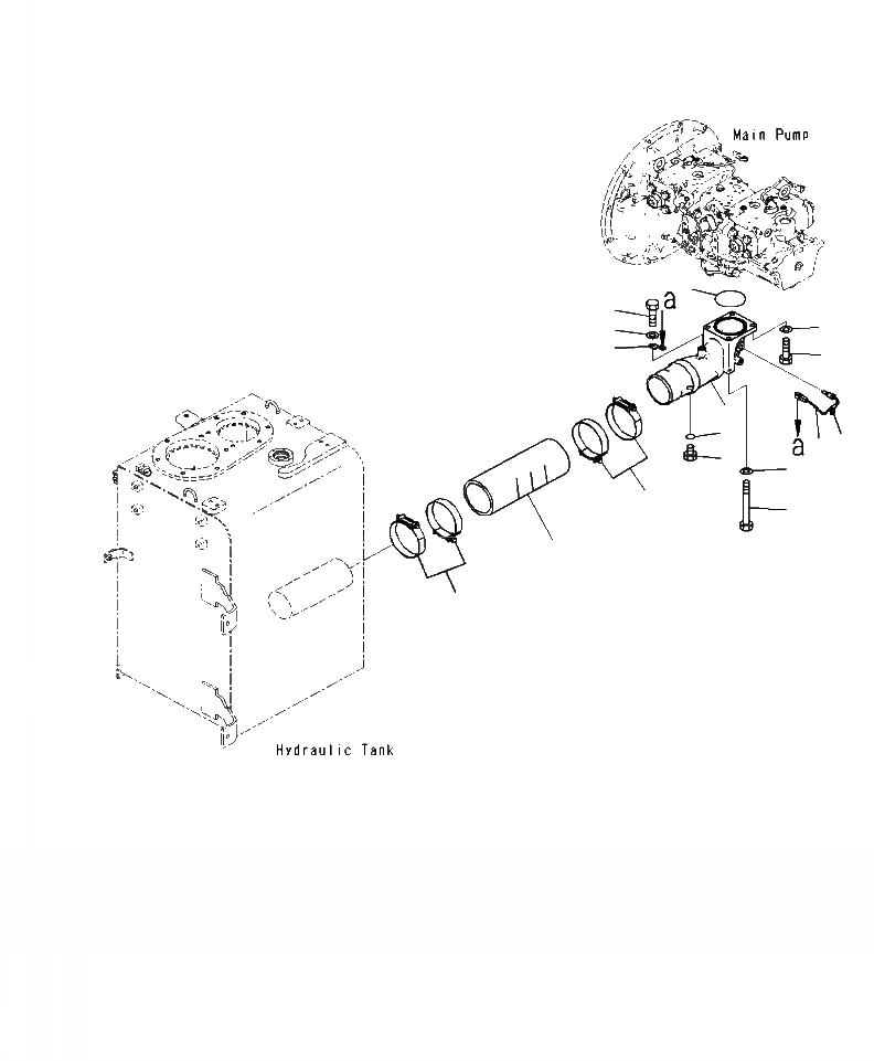
Запчасти Komatsu PC360LC-10 H-A ГИДРОЛИНИЯ ВСАСЫВАЮЩАЯ ЛИНИЯ( A8- ) ГИДРАВЛИКА

Схема запчастей Komatsu PC360LC-10 - H-A ГИДРОЛИНИЯ ВСАСЫВАЮЩАЯ ЛИНИЯ( A8- ) ГИДРАВЛИКА
11
1
2
3
4
5
6
7
8
9
10
11
12
13
14
15
FIT
1:1
100%

Артикул

Название

Примечание

Количество

1

207-62-42112

TUBE

2

07000-12105

O-RING

3

7861-93-3320

SENSOR, TEMPERATURE

4

08193-20012

CLIP

5

01010-81225

BOLT

6

01643-31232

WASHER

7

07040-12414

PLUG

8

07002-12434

O-RING

9

362-43-18780

CLIP

10

208-62-41110

HOSE

11

209-62-41341

CLAMP

12

01010-81280

BOLT

13

01643-31232

WASHER

14

01010-81255

BOLT

15

01643-31232

WASHER

Выбрано товаров: 15