Запчасти Komatsu PC360LC-10 ОСНОВН. ПОРШЕНЬ НАСОС, ВНУТР. ЧАСТИ (/) (№K7-) ОСНОВН. ПОРШЕНЬ НАСОС, ВНУТР. ЧАСТИ (№K7-)

Схема запчастей Komatsu PC360LC-10 - ОСНОВН. ПОРШЕНЬ НАСОС, ВНУТР. ЧАСТИ (/) (№K7-) ОСНОВН. ПОРШЕНЬ НАСОС, ВНУТР. ЧАСТИ (№K7-)
6
11
11
11
11
2
5
2
12
4
3
9
10
1
2
4
3
8
7
FIT
1:1
100%

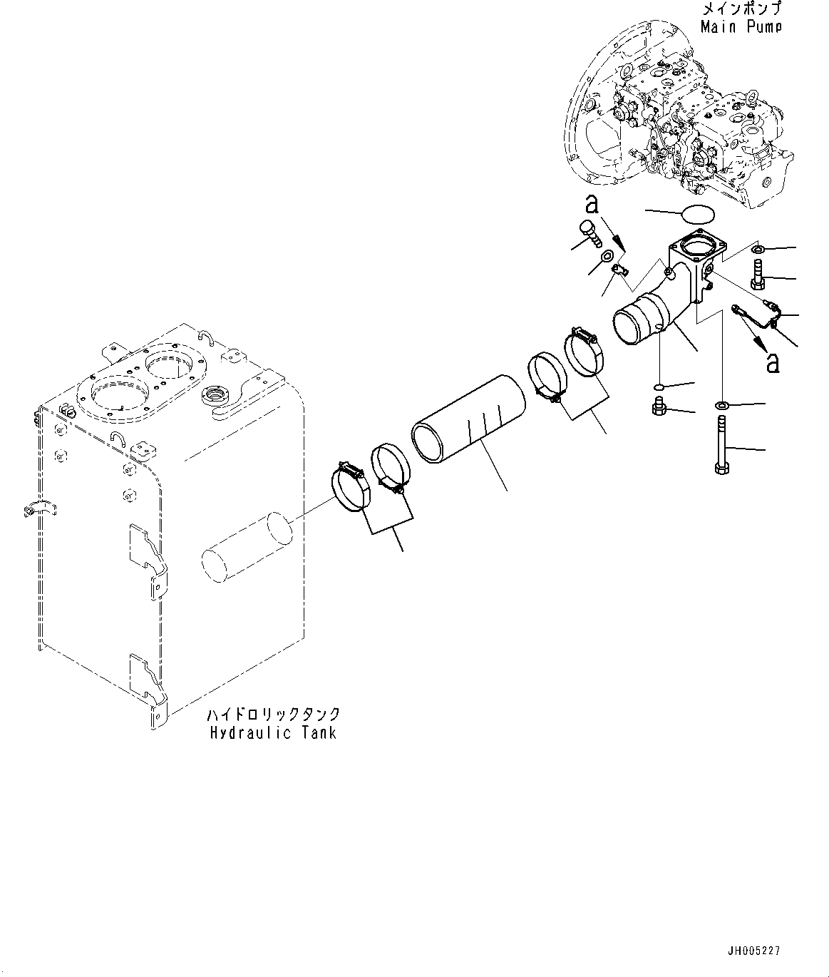
Артикул

Название

Примечание

Количество

|$0

708-2G-00171

Pump Assembly

|$1

708-2G-00170

Pump Assembly

|$2

708-2G-01171

Pump Subassembly

|$3

708-2G-01170

Pump Subassembly

|$4

708-2G-04471

Case Assembly, Front

|$5

708-2G-04470

Case Assembly, Front

3

708-8E-16150

Plug

4

07002-61023

O-Ring

5

708-1L-29340

Orifice

6

04530-11222

Bolt, Eye

7

07044-12412

Plug

8

07002-62434

O-Ring

9

07040-12414

Plug

10

07002-62434

O-Ring

11

07000-B2012

O-Ring

12

20B-27-11210

Bleeder

Выбрано товаров: 16