Качественные детали и логистика
Оригинальные и аналоговые запчасти с доставкой по России, Казахстану и Беларуси
©2022 PartSell ООО "Система" ИНН 2463123282 ОГРН 1212400004838
Центральный офис: г. Красноярск, Академика Киренского, д.87, пом.4
Телефон: 8 (800) 777-65-74 Email: zakaz@partsell.ru
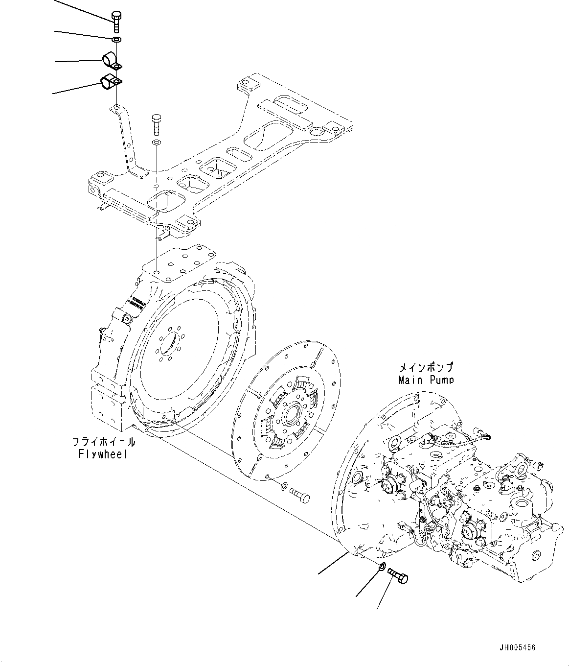
КОМПОНЕНТЫ ДВИГАТЕЛЯ, НАСОС КРЕПЛЕНИЕ
№
Артикул
Название
Примечание
Количество
1
01010-81240
Bolt
2
01643-31232
Washer
3
04434-52512
Clip
4
04434-53212
5
01010-81230
6
7
708-2G-00171
Pump Assembly
708-2G-00170
708-2G-00140
Выбрано товаров: 0