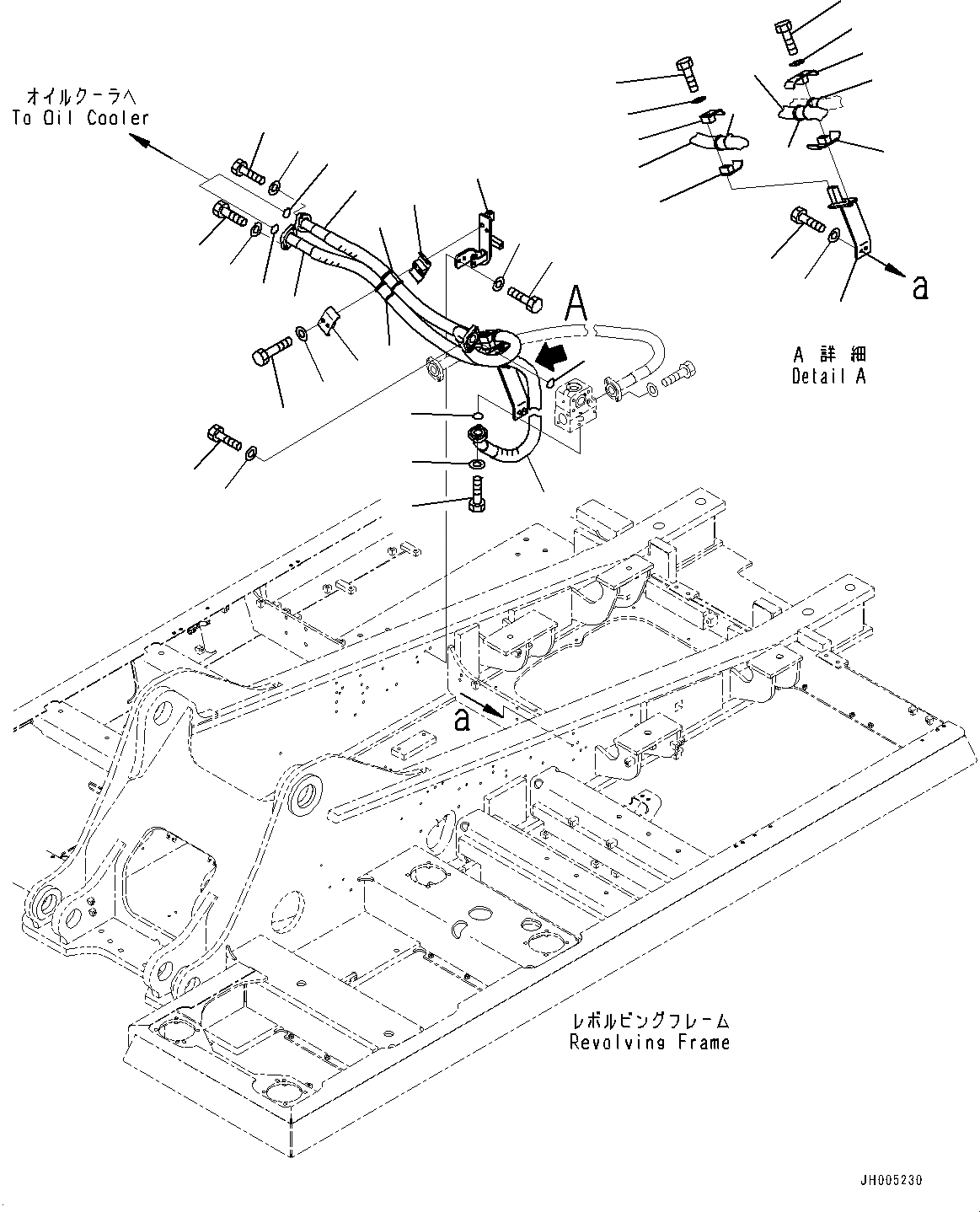
Запчасти Komatsu PC360LC-10 ЛИНИИ МАСЛООХЛАДИТЕЛЯ ЛИНИИ МАСЛООХЛАДИТЕЛЯ

Схема запчастей Komatsu PC360LC-10 - ЛИНИИ МАСЛООХЛАДИТЕЛЯ ЛИНИИ МАСЛООХЛАДИТЕЛЯ
1
2
3
4
7
8
9
10
11
13
14
15
16
17
18
19
20
21
22
23
7
4
2
6
5
11
1
12
12
13
3
11
8
6
5
6
5
6
5
1
FIT
1:1
100%

Артикул

Название

Примечание

Количество

1

207-62-41311

Hose

2

07000-13048

O-Ring

3

207-62-41321

Hose

4

07000-13048

O-Ring

5

01010-81240

Bolt

6

01643-31232

Washer

7

07094-31228

Clip

8

07095-01245

Cushion

9

01010-81295

Bolt

10

01643-31232

Washer

11

07095-01245

Cushion

12

07094-11228

Clamp

13

07094-31228

Clip

14

01010-81295

Bolt

15

01643-31232

Washer

16

01011-81265

Bolt

17

01643-31232

Washer

18

207-62-41471

Bracket

19

01010-81230

Bolt

20

01643-31232

Washer

21

207-62-41481

Bracket

22

01010-81230

Bolt

23

01643-31232

Washer

Выбрано товаров: 23