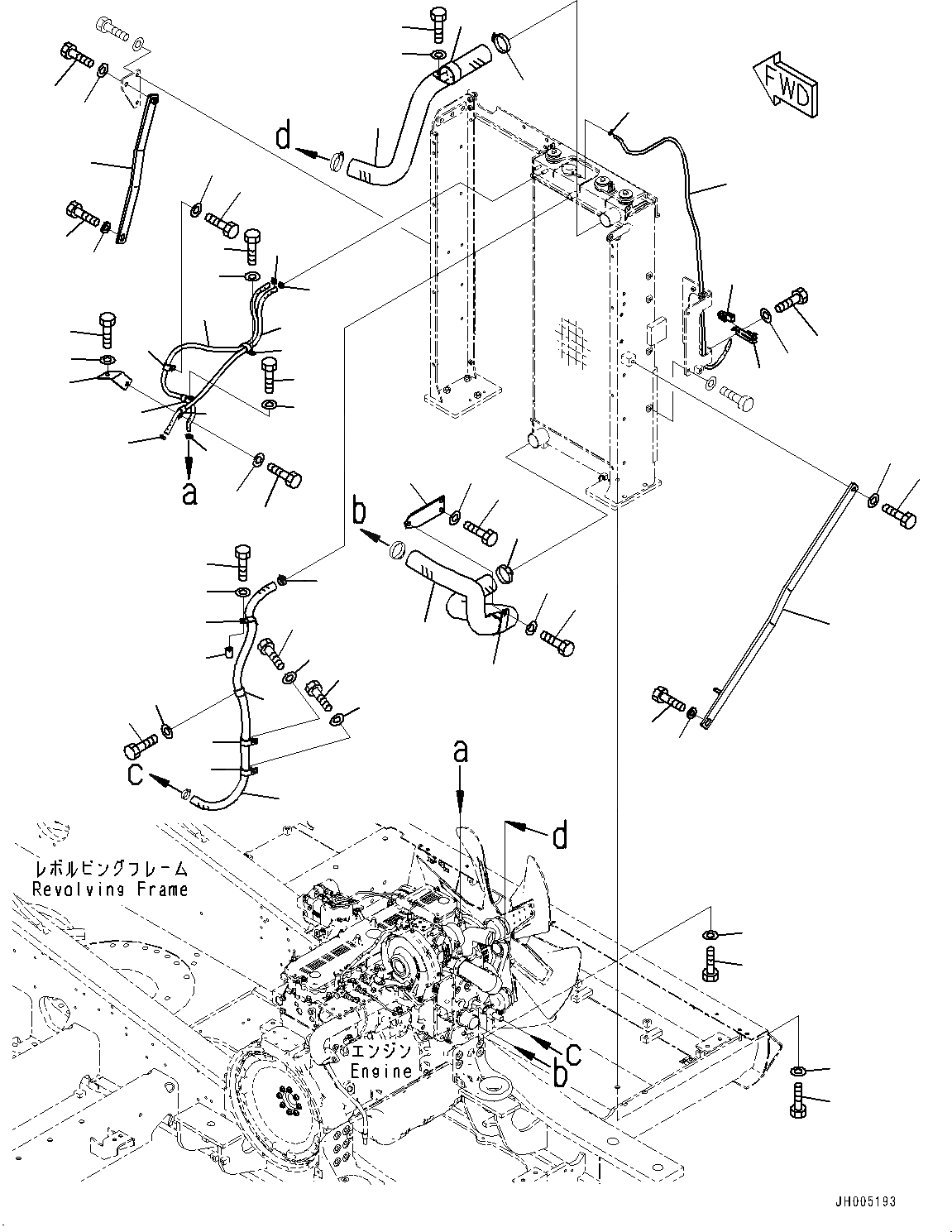
Запчасти Komatsu PC360LC-10 СИСТЕМА ОХЛАЖДЕНИЯ, ДЛЯ СТРАН ЕС БЕЗОПАСН. REGULATION, ОХЛАЖД-Е СТОЙКА И ПОСЛЕОХЛАДИТЕЛЬ ТРУБЫ СИСТЕМА ОХЛАЖДЕНИЯ, ДЛЯ СТРАН ЕС БЕЗОПАСН. REGULATION

Схема запчастей Komatsu PC360LC-10 - СИСТЕМА ОХЛАЖДЕНИЯ, ДЛЯ СТРАН ЕС БЕЗОПАСН. REGULATION, ОХЛАЖД-Е СТОЙКА И ПОСЛЕОХЛАДИТЕЛЬ ТРУБЫ СИСТЕМА ОХЛАЖДЕНИЯ, ДЛЯ СТРАН ЕС БЕЗОПАСН. REGULATION
1
10
4
32
17
13
7
38
36
23
22
15
16
21
24
28
29
52
44
35
2
3
12
11
27
43
45
6
5
8
9
14
18
20
19
25
26
31
30
34
33
39
40
41
42
46
47
48
48
47
49
50
51
37
52
52
52
53
54
56
55
61
62
64
63
57
58
59
60
FIT
1:1
100%

Артикул

Название

Примечание

Количество

1

207-03-41381

Stay

2

01643-31645

Washer

3

01010-81640

Bolt

4

207-03-41511

Stay

5

01643-31645

Washer

6

01010-81640

Bolt

7

20Y-979-6271

Bracket

8

01010-80620

Bolt

9

01643-30623

Washer

10

20Y-979-6191

Sensor

11

07261-22013

Hose

12

04434-53212

Clip

13

01010-81260

Bolt

14

01643-31232

Washer

15

04434-53212

Clip

16

01010-81230

Bolt

17

01643-31232

Washer

18

04434-53212

Clip

19

01010-81230

Bolt

20

01643-31232

Washer

21

07281-00359

Clamp

22

207-03-41390

Hose

23

07289-00070

Clamp

24

207-03-51530

Clip

25

01010-81240

Bolt

26

01643-31232

Washer

27

207-03-41411

Hose

28

07289-00070

Clamp

29

207-03-51530

Clip

30

01010-81230

Bolt

31

01643-31232

Washer

32

207-03-41861

Bracket

33

01010-81230

Bolt

34

01643-31232

Washer

35

21M-03-22240

Hose

36

206-03-43340

Clip

37

09483-10311

Hose

38

207-03-41891

Hose

39

04434-53212

Clip

40

207-03-42281

Bracket

41

01010-81240

Bolt

42

01643-31232

Washer

43

04434-51612

Clip

44

01010-81230

Bolt

45

01643-31232

Washer

46

04434-51612

Clip

47

01010-81230

Bolt

48

01643-31232

Washer

49

04435-51612

Clip

50

01010-81230

Bolt

51

01643-31232

Washer

52

11Y-09-11140

Clip

53

20Y-03-11220

Collar

54

04434-51612

Clip

55

01010-81230

Bolt

56

01643-31232

Washer

57

01643-31645

Washer

58

01010-81645

Bolt

59

01643-31645

Washer

60

01010-81645

Bolt

61

21T-54-16150

Washer

62

01010-81640

Bolt

63

21T-54-16150

Washer

64

01010-81640

Bolt

Выбрано товаров: 0