Запчасти Komatsu PC360LC-10 КАБИНА И ОСНОВН. КОНСТРУКЦИЯ ГРУППА, С ВОЗД. ПОДВЕСКА OPERATORґS СИДЕНЬЕ, КАБИНА IN ЧАСТИ, ВОЗДУХОВОД И FRESH ВОЗД. ФИЛЬТР. КАБИНА И ОСНОВН. КОНСТРУКЦИЯ ГРУППА, С ВОЗД. ПОДВЕСКА OPERATORґS СИДЕНЬЕ

Схема запчастей Komatsu PC360LC-10 - КАБИНА И ОСНОВН. КОНСТРУКЦИЯ ГРУППА, С ВОЗД. ПОДВЕСКА OPERATORґS СИДЕНЬЕ, КАБИНА IN ЧАСТИ, ВОЗДУХОВОД И FRESH ВОЗД. ФИЛЬТР. КАБИНА И ОСНОВН. КОНСТРУКЦИЯ ГРУППА, С ВОЗД. ПОДВЕСКА OPERATORґS СИДЕНЬЕ
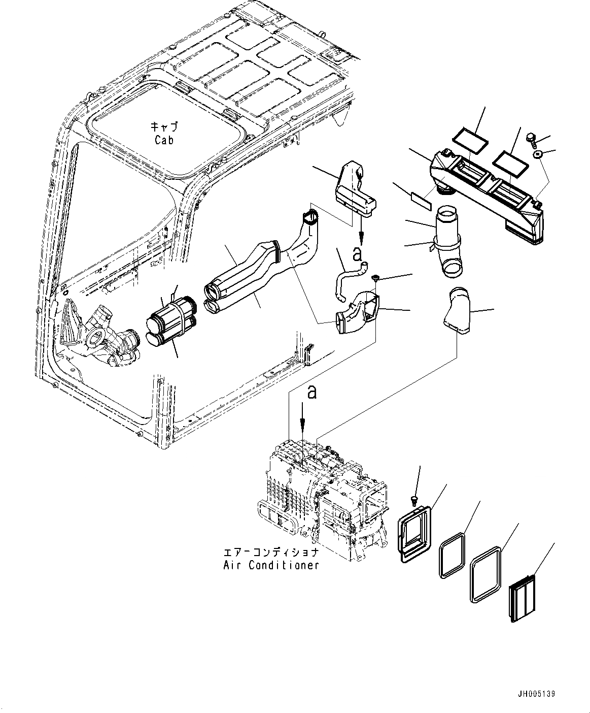
13
9
10
12
11
7
6
3
4
1
5
8
21
2
18
17
14
15
15
16
22
19
20
FIT
1:1
100%

Артикул

Название

Примечание

Количество

1

2A5-979-1211

Duct

2

2A5-979-1221

Duct

3

20Y-53-13351

Duct

4

2A5-979-1231

Duct

5

2A5-979-1241

Duct

6

20Y-53-13361

Duct

7

08034-20876

Band

8

22B-54-16461

Rivet

9

2A5-979-1252

Duct

10

2A5-979-1660

Seal

11

2A5-979-1670

Seal

12

208-53-12680

Clip

13

17M-911-3530

Element

14

20Y-53-13451

Duct

15

2A5-979-1580

Seal

16

2A5-979-1590

Seal

17

01435-80616

Bolt

18

20Y-53-12310

Collar

19

208-53-12220

Duct

20

2A5-979-1261

Duct

21

2A5-979-1271

Hose

22

08034-20876

Band

Выбрано товаров: 22