Запчасти Komatsu PC360LC-10 ОСНОВН. УПРАВЛЯЮЩ. КЛАПАН, С -ДОПОЛН. АКТУАТОР ТРУБЫ, АККУМУЛЯТОР, ANTI-DROP КЛАПАН, СТРЕЛА И РУКОЯТЬ, ВНУТР. ЧАСТИ (8/) ОСНОВН. УПРАВЛЯЮЩ. КЛАПАН, С -ДОПОЛН. АКТУАТОР ТРУБЫ, АККУМУЛЯТОР, ANTI-DROP КЛАПАН, СТРЕЛА И РУКОЯТЬ

Схема запчастей Komatsu PC360LC-10 - ОСНОВН. УПРАВЛЯЮЩ. КЛАПАН, С -ДОПОЛН. АКТУАТОР ТРУБЫ, АККУМУЛЯТОР, ANTI-DROP КЛАПАН, СТРЕЛА И РУКОЯТЬ, ВНУТР. ЧАСТИ (8/) ОСНОВН. УПРАВЛЯЮЩ. КЛАПАН, С -ДОПОЛН. АКТУАТОР ТРУБЫ, АККУМУЛЯТОР, ANTI-DROP КЛАПАН, СТРЕЛА И РУК
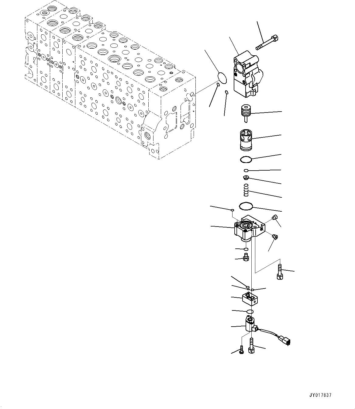
1
2
3
4
5
6
8
10
9
11
7
20
21
23
22
15
7
12
13
14
14
16
18
18
19
23
17
FIT
1:1
100%

Артикул

Название

Примечание

Количество

|$0

723-49-26900

Valve Assembly, Control

|$1

723-40-87800

Valve Assembly

3

723-40-87650

Spring

8

723-40-87670

Retainer

9

723-40-87170

O-Ring

10

07000-13035

O-Ring

11

07000-11008

O-Ring

12

07040-11007

Plug

13

07002-11023

O-Ring

14

702-21-60900

Valve, Pilot

15

700-80-61260

O-Ring

16

723-11-19960

O-Ring

17

702-21-54180

Screw

18

702-21-54910

O-Ring

19

01252-60635

Bolt

20

01252-60845

Bolt

21

01252-61075

Bolt

22

07000-13038

O-Ring

23

07000-11010

O-Ring

Выбрано товаров: 19