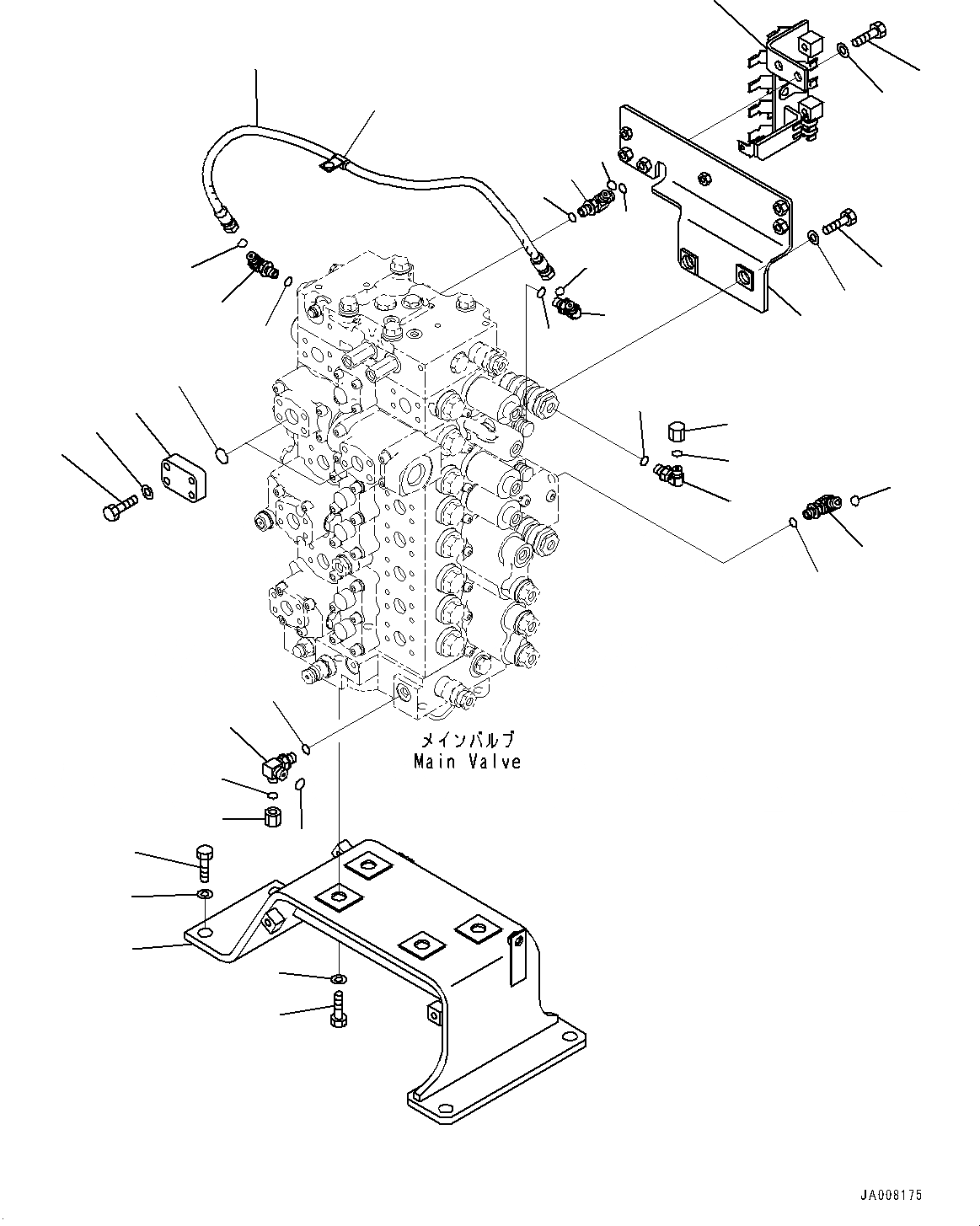
Запчасти Komatsu PC360NLC-10 ОСНОВН. УПРАВЛЯЮЩ. КЛАПАН, С -СЕРВИСНЫЙ КЛАПАН, ANTI-DROP КЛАПАН, СТРЕЛА И РУКОЯТЬ, ОСНОВН. КЛАПАН КРЕПЛЕНИЕ ОСНОВН. УПРАВЛЯЮЩ. КЛАПАН, С -СЕРВИСНЫЙ КЛАПАН, ANTI-DROP КЛАПАН, СТРЕЛА И РУКОЯТЬ

Схема запчастей Komatsu PC360NLC-10 - ОСНОВН. УПРАВЛЯЮЩ. КЛАПАН, С -СЕРВИСНЫЙ КЛАПАН, ANTI-DROP КЛАПАН, СТРЕЛА И РУКОЯТЬ, ОСНОВН. КЛАПАН КРЕПЛЕНИЕ ОСНОВН. УПРАВЛЯЮЩ. КЛАПАН, С -СЕРВИСНЫЙ КЛАПАН, ANTI-DROP КЛАПАН, СТРЕЛА И РУКОЯТЬ
1
3
2
5
4
6
8
7
9
10
11
15
16
17
18
19
20
21
12
13
14
31
29
30
30
12
26
28
27
25
24
23
22
14
13
14
12
13
26
FIT
1:1
100%

Артикул

Название

Примечание

Количество

1

207-62-41110

Bracket

2

421-70-11280

Washer

3

01010-81640

Bolt

4

01643-31645

Washer

5

01010-81645

Bolt

6

207-62-41121

Bracket

7

01643-31645

Washer

8

01010-81640

Bolt

9

208-62-41551

Bracket

10

01010-81235

Bolt

11

01643-31232

Washer

12

11Y-62-12160

Elbow

13

02896-11008

O-ring

14

07002-11423

O-ring

15

20Y-62-45710

Tee

16

02896-11008

O-ring

17

02896-11009

O-ring

18

07002-11423

O-ring

19

21W-62-42490

Elbow

20

02896-11009

O-ring

21

07002-11423

O-ring

22

207-62-56190

Flange

23

07000-13035

O-ring

24

07372-21040

Bolt

25

01643-51032

Washer

26

02789-00210

Plug, Face Seal Type

27

02740-002A7

Hose

28

04434-51012

Clip

29

11Y-62-12330

Tee

30

02896-11008

O-ring

31

07002-11423

O-ring

Выбрано товаров: 31