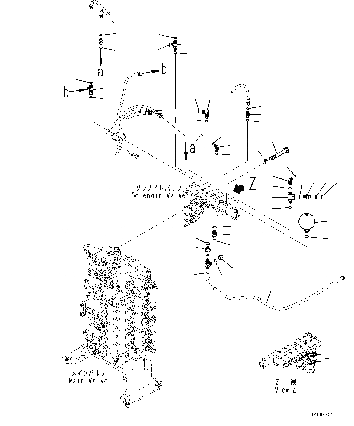
Запчасти Komatsu PC360NLC-10 СОЛЕНОИДНЫЙ КЛАПАН ТРУБЫ, С ДОПОЛН. АКТУАТОР ТРУБЫ, АККУМУЛЯТОР, ДЛЯ СТРАН ЕС ARRANGEMENT, СОЛЕНОИДНЫЙ КЛАПАН КОМПОНЕНТЫ СОЛЕНОИДНЫЙ КЛАПАН ТРУБЫ, С ДОПОЛН. АКТУАТОР ТРУБЫ, АККУМУЛЯТОР, ДЛЯ СТРАН ЕС ARRANGEMENT

Схема запчастей Komatsu PC360NLC-10 - СОЛЕНОИДНЫЙ КЛАПАН ТРУБЫ, С ДОПОЛН. АКТУАТОР ТРУБЫ, АККУМУЛЯТОР, ДЛЯ СТРАН ЕС ARRANGEMENT, СОЛЕНОИДНЫЙ КЛАПАН КОМПОНЕНТЫ СОЛЕНОИДНЫЙ КЛАПАН ТРУБЫ, С ДОПОЛН. АКТУАТОР ТРУБЫ, АККУМУЛЯТОР, ДЛЯ СТРАН ЕС ARRANGEMENT
1
2
3
4
17
18
19
32
34
33
35
36
37
38
39
40
14
15
16
20
21
22
23
24
25
29
30
31
26
27
28
27
42
38
41
9
7
6
5
8
13
10
12
11
FIT
1:1
100%

Артикул

Название

Примечание

Количество

1

01010-81090

Bolt

2

01643-31032

Washer

3

22U-60-21330

Accumulator

4

07002-12034

O-ring

5

207-62-61680

Tee

6

07002-11423

O-ring

7

02783-10210

Elbow

8

07002-11423

O-ring

9

02896-11008

O-ring

10

20Y-62-16630

Nipple

11

201-60-11390

O-ring

12

20Y-62-19560

O-ring

13

07002-11423

O-ring

14

02781-0021D

Union

15

02896-11008

O-ring

16

07002-11423

O-ring

17

208-62-71750

Elbow

18

02896-11008

O-ring

19

07002-11423

O-ring

20

21W-62-42490

Elbow

21

02896-11009

O-ring

22

07002-11423

O-ring

23

11Y-62-12130

Nipple

24

02896-11008

O-ring

25

07002-11423

O-ring

26

20Y-62-41960

Tee

27

02896-11008

O-ring

28

07002-11423

O-ring

29

11Y-62-12330

Tee

30

02896-11008

O-ring

31

07002-11423

O-ring

32

02781-00422

Union

33

02896-11012

O-ring

34

07002-12034

O-ring

35

20Y-62-21940

Filter Assembly

36

07002-12034

O-ring

37

21N-64-36680

Tee

38

02896-11009

O-ring

39

07002-11423

O-ring

40

08034-20536

Band

41

02789-10315

Plug

42

207-62-41931

Hose

Выбрано товаров: 42