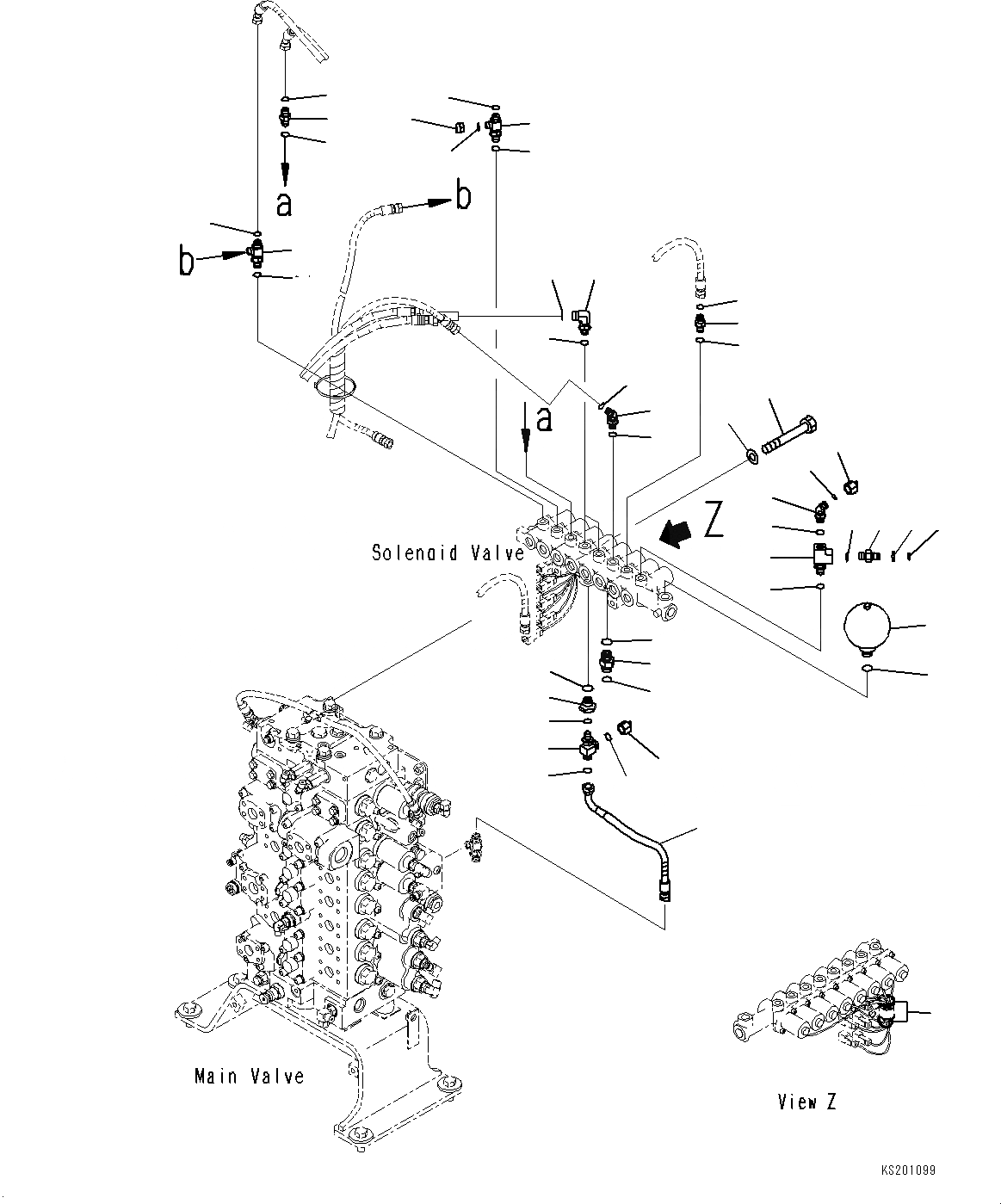
Запчасти Komatsu PC360NLC-10 СОЛЕНОИДНЫЙ КЛАПАН ТРУБЫ, АККУМУЛЯТОР, ДЛЯ СТРАН ЕС ARRANGEMENT, ТРУБЫ СОЛЕНОИДНЫЙ КЛАПАН ТРУБЫ, NON НАВЕСН. ОБОРУД СПЕЦ-Я, АККУМУЛЯТОР, ДЛЯ СТРАН ЕС ARRANGEMENT

Схема запчастей Komatsu PC360NLC-10 - СОЛЕНОИДНЫЙ КЛАПАН ТРУБЫ, АККУМУЛЯТОР, ДЛЯ СТРАН ЕС ARRANGEMENT, ТРУБЫ СОЛЕНОИДНЫЙ КЛАПАН ТРУБЫ, NON НАВЕСН. ОБОРУД СПЕЦ-Я, АККУМУЛЯТОР, ДЛЯ СТРАН ЕС ARRANGEMENT
24
23
25
43
27
27
17
20
21
28
26
33
32
34
6
5
9
7
2
1
22
15
30
29
31
18
19
42
8
13
10
12
11
3
4
36
35
39
37
38
41
38
44
40
14
16
FIT
1:1
100%

Артикул

Название

Примечание

Количество

1

01010-81090

Bolt

2

01643-31032

Washer

3

22U-60-21330

Accumulator

4

07002-12034

O-ring

5

207-62-61680

Tee

6

07002-11423

O-ring

7

02783-10210

Elbow

8

07002-11423

O-ring

9

02896-11008

O-ring

10

20Y-62-16630

Nipple

11

201-60-11390

O-ring

12

20Y-62-19560

O-ring

13

07002-11423

O-ring

14

02781-0021D

Union

15

02896-11008

O-ring

16

07002-11423

O-ring

17

208-62-71750

Elbow

18

02896-11008

O-ring

19

07002-11423

O-ring

20

21W-62-42490

Elbow

21

02896-11009

O-ring

22

07002-11423

O-ring

23

11Y-62-12130

Nipple

24

02896-11008

O-ring

25

07002-11423

O-ring

26

20Y-62-41960

Tee

27

02896-11008

O-ring

28

07002-11423

O-ring

29

11Y-62-12330

Tee

30

02896-11008

O-ring

31

07002-11423

O-ring

32

02781-00422

Union

33

02896-11012

O-ring

34

07002-12034

O-ring

35

20Y-62-21940

Filter Assembly

36

07002-12034

O-ring

37

21N-64-36680

Tee

38

02896-11009

O-ring

39

07002-11423

O-ring

40

08034-20536

Band

41

02789-10315

Plug

42

02789-10210

Plug

43

02789-00210

Nut

44

02763-003A3

Hose

Выбрано товаров: 44