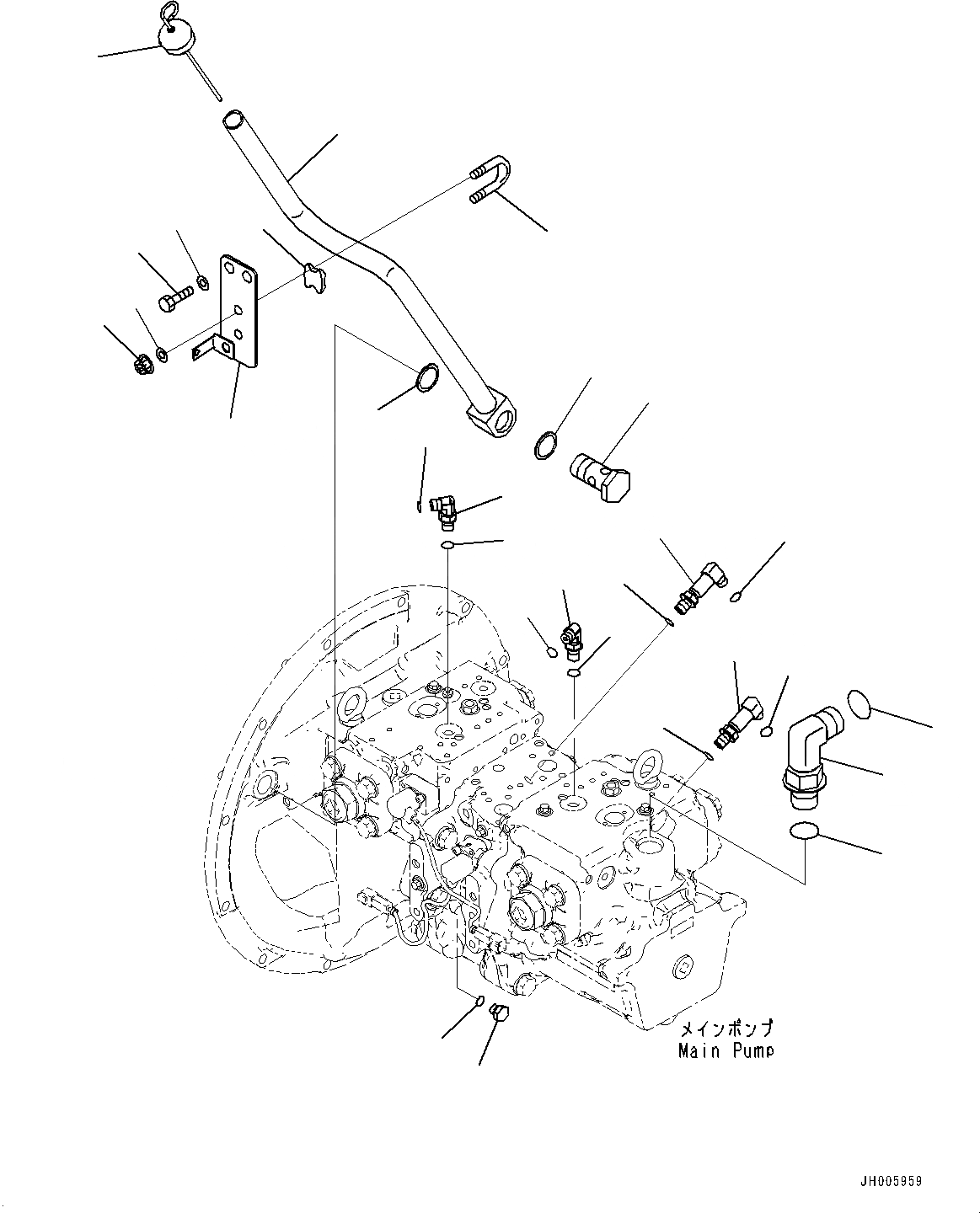
Запчасти Komatsu PC360NLC-10 ОСНОВН. ПОРШЕНЬ НАСОС ОСНОВН. ПОРШЕНЬ НАСОС

Схема запчастей Komatsu PC360NLC-10 - ОСНОВН. ПОРШЕНЬ НАСОС ОСНОВН. ПОРШЕНЬ НАСОС
1
2
3
4
5
6
7
8
9
10
11
12
13
14
15
16
17
18
19
20
21
22
2
19
17
18
20
21
22
FIT
1:1
100%

Артикул

Название

Примечание

Количество

1

207-01-31141

Joint

2

07005-03016

Seal, Washer

3

207-01-41710

Gauge

4

207-01-41411

Tube

5

207-01-41420

Bracket

6

01010-81230

Bolt

7

01643-31232

Washer

8

01643-31032

Washer

9

01597-01009

Nut

10

07283-32746

Clip

11

07283-52737

Seat

12

07040-11209

Plug

13

07002-11223

O-Ring

14

421-09-31210

Elbow

15

207-62-64740

O-Ring

16

07002-13334

O-Ring

17

11Y-62-12370

Elbow

18

02896-11008

O-Ring

19

07002-11423

O-Ring

20

02782-10210

Elbow

21

02896-11008

O-Ring

22

07002-11423

O-Ring

Выбрано товаров: 22