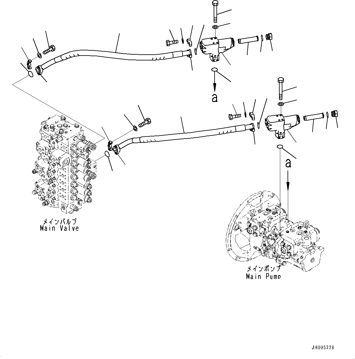
Запчасти Komatsu PC360NLC-10 ПОДАЮЩ. ТРУБЫ, C ПРОХОДНЫМ ФИЛЬТРОМ ПОДАЮЩ. ТРУБЫ, C ПРОХОДНЫМ ФИЛЬТРОМ

Схема запчастей Komatsu PC360NLC-10 - ПОДАЮЩ. ТРУБЫ, C ПРОХОДНЫМ ФИЛЬТРОМ ПОДАЮЩ. ТРУБЫ, C ПРОХОДНЫМ ФИЛЬТРОМ
15
15
14
16
11
13
12
12
17
11
13
9
1
10
3
2
4
17
6
7
1
3
2
4
8
5
11
11
18
18
20
19
18
20
19
18
FIT
1:1
100%

Артикул

Название

Примечание

Количество

|$0

208-62-71101

Filter Assembly

1

208-62-71810

Case

2

20Y-60-22372

Plug

3

207-60-61250

Strainer

4

07002-13634

O-Ring

5

07000-13035

O-Ring

6

01011-81070

Bolt

7

01643-31032

Washer

8

07000-13035

O-Ring

9

01011-81070

Bolt

10

01643-31032

Washer

11

07371-31049

Flange, Split

12

07372-21035

Bolt

13

01643-51032

Washer

14

207-62-41580

Hose

15

07000-13032

O-Ring

16

207-62-42960

Hose

16

207-62-71380

Hose

17

07000-13032

O-Ring

18

07371-31049

Flange, Split

19

07372-21035

Bolt

20

01643-51032

Washer

Выбрано товаров: 22