Запчасти Komatsu PC360NLC-10 -ДОПОЛН. АКТУАТОР ТРУБЫ, ДЛЯ СТРАН ЕС ARRANGEMENT -ДОПОЛН. АКТУАТОР ТРУБЫ, ДЛЯ СТРАН ЕС ARRANGEMENT

Схема запчастей Komatsu PC360NLC-10 - -ДОПОЛН. АКТУАТОР ТРУБЫ, ДЛЯ СТРАН ЕС ARRANGEMENT -ДОПОЛН. АКТУАТОР ТРУБЫ, ДЛЯ СТРАН ЕС ARRANGEMENT
12
11
12
14
15
13
17
16
7
8
5
6
2
4
3
1
10
13
15
14
9
10
FIT
1:1
100%

Артикул

Название

Примечание

Количество

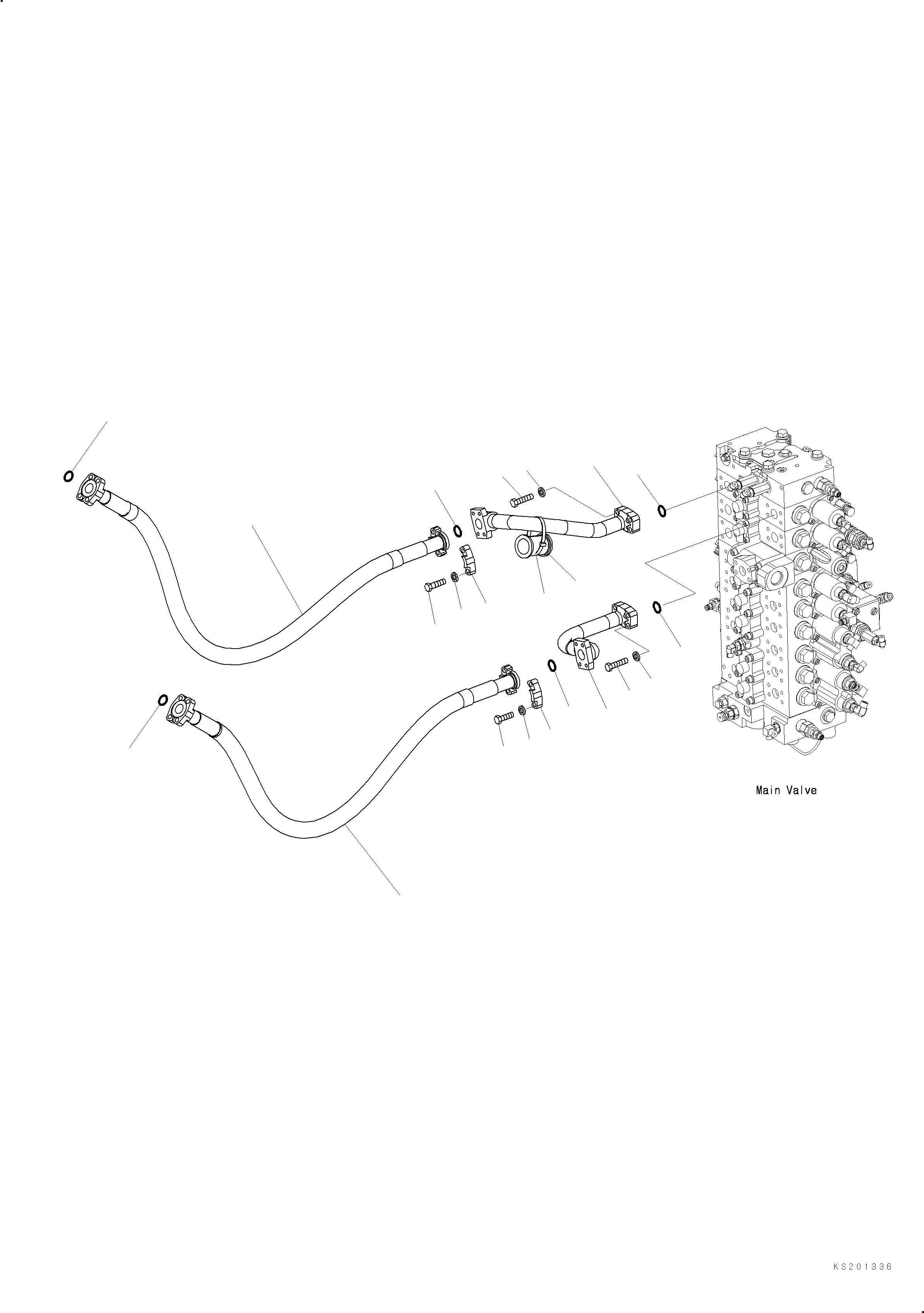
1

207-62-73640

Tube

2

07000-13032

O-Ring

3

07372-21040

Bolt

4

01643-51032

Washer

5

207-62-73650

Tube

6

07000-13032

O-Ring

7

07372-21040

Bolt

8

01643-51032

Washer

9

207-62-45760

Hose

10

07000-13035

O-Ring

11

207-62-45770

Hose

12

07000-13032

O-Ring

13

07371-31049

Flange, Split

14

07372-21035

Bolt

15

01643-51032

Washer

16

07095-01038

Cushion

17

08034-20834

Band

Выбрано товаров: 17