Запчасти Komatsu PC360NLC-10 СОЛЕНОИДНЫЙ КЛАПАН ТРУБЫ, АККУМУЛЯТОР, ДЛЯ СТРАН ЕС ARRANGEMENT, ТРУБЫ СОЛЕНОИДНЫЙ КЛАПАН ТРУБЫ, NON НАВЕСН. ОБОРУД СПЕЦ-Я, АККУМУЛЯТОР, ДЛЯ СТРАН ЕС ARRANGEMENT

Схема запчастей Komatsu PC360NLC-10 - СОЛЕНОИДНЫЙ КЛАПАН ТРУБЫ, АККУМУЛЯТОР, ДЛЯ СТРАН ЕС ARRANGEMENT, ТРУБЫ СОЛЕНОИДНЫЙ КЛАПАН ТРУБЫ, NON НАВЕСН. ОБОРУД СПЕЦ-Я, АККУМУЛЯТОР, ДЛЯ СТРАН ЕС ARRANGEMENT
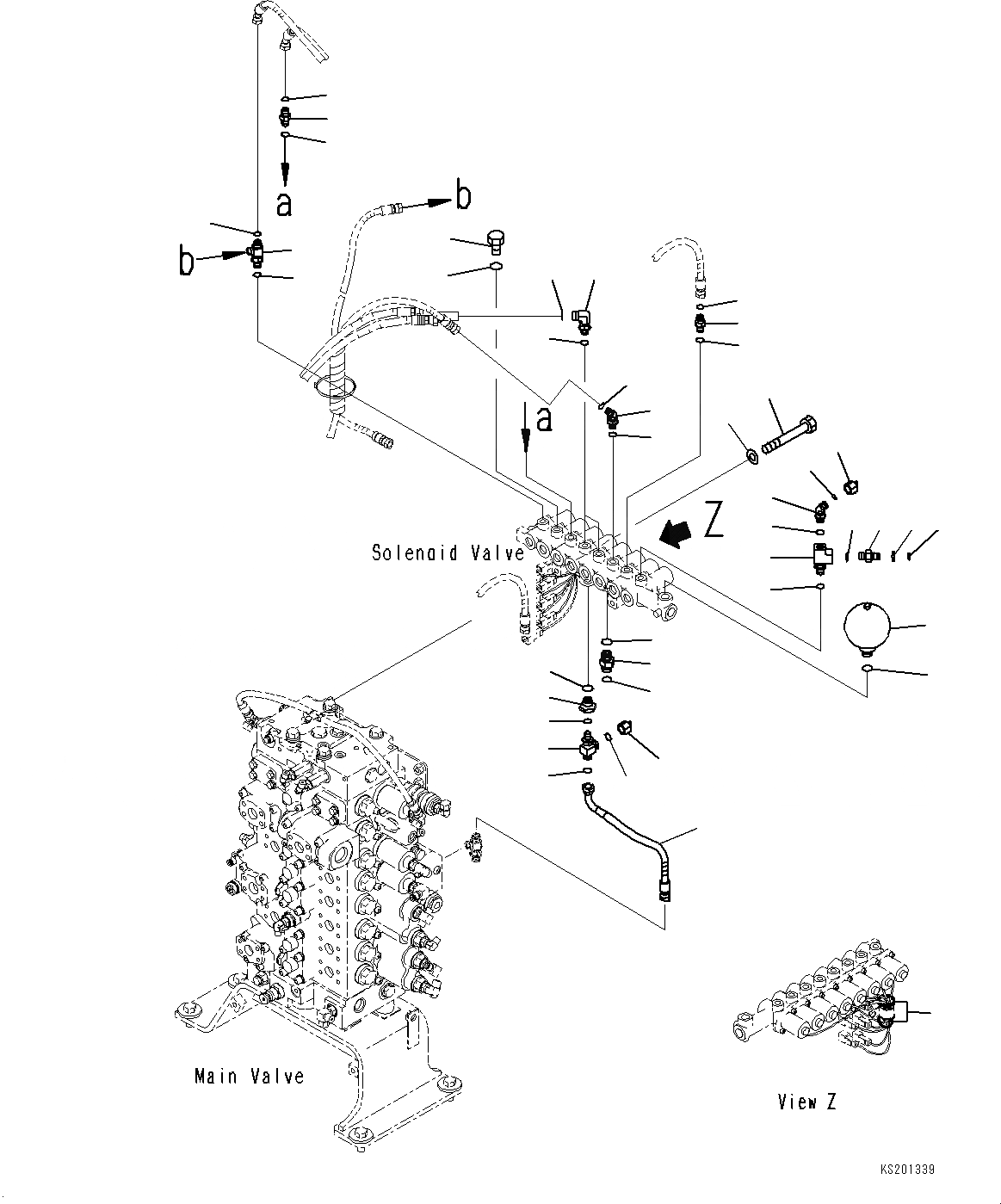
24
23
25
29
28
30
26
27
21
20
22
18
17
19
2
1
16
14
15
41
8
7
9
5
6
13
10
12
11
3
4
32
31
33
40
35
34
38
36
37
37
42
39
FIT
1:1
100%

Артикул

Название

Примечание

Количество

1

01010-81090

Bolt

2

01643-31032

Washer

3

22U-60-21330

Accumulator

4

07002-12034

O-Ring

5

207-62-61680

Tee

6

07002-11423

O-Ring

7

02783-10210

Elbow

8

07002-11423

O-Ring

9

02896-11008

O-Ring

10

20Y-62-16630

Nipple

11

201-60-11390

O-Ring

12

20Y-62-19560

O-Ring

13

07002-11423

O-Ring

14

02781-0021D

Union

15

02896-11008

O-Ring

16

07002-11423

O-Ring

17

208-62-71750

Elbow

18

02896-11008

O-Ring

19

07002-11423

O-Ring

20

21W-62-42490

Elbow

21

02896-11009

O-Ring

22

07002-11423

O-Ring

23

11Y-62-12130

Nipple

24

02896-11008

O-Ring

25

07002-11423

O-Ring

26

07040-11409

Plug

27

07002-11423

O-Ring

28

11Y-62-12330

Tee

29

02896-11008

O-Ring

30

07002-11423

O-Ring

31

02781-00422

Union

32

02896-11012

O-Ring

33

07002-12034

O-Ring

34

20Y-62-21940

Filter Assembly

35

07002-12034

O-Ring

36

21N-64-36680

Tee

37

02896-11009

O-Ring

38

07002-11423

O-Ring

39

08034-20536

Band

40

02789-10315

Plug

41

02789-10210

Plug

42

02763-003A3

Hose

Выбрано товаров: 42