Запчасти Komatsu PC360NLC-10 КАБИНА И ОСНОВН. КОНСТРУКЦИЯ ГРУППА, С ВОЗД. ПОДВЕСКА OPERATORґS СИДЕНЬЕ, ПОЛ, РАДИО И РЫЧАГ БЛОКИРОВКИ РАБОЧ. ОБОРУД. КАБИНА И ОСНОВН. КОНСТРУКЦИЯ ГРУППА, С ВОЗД. ПОДВЕСКА OPERATORґS СИДЕНЬЕ

Схема запчастей Komatsu PC360NLC-10 - КАБИНА И ОСНОВН. КОНСТРУКЦИЯ ГРУППА, С ВОЗД. ПОДВЕСКА OPERATORґS СИДЕНЬЕ, ПОЛ, РАДИО И РЫЧАГ БЛОКИРОВКИ РАБОЧ. ОБОРУД. КАБИНА И ОСНОВН. КОНСТРУКЦИЯ ГРУППА, С ВОЗД. ПОДВЕСКА OPERATORґS СИДЕНЬЕ
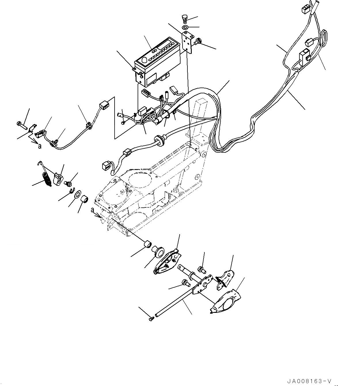
3
5
4
15
18
12
17
12
16
13
14
19
20
21
23
22
24
24
28
1
2
2
1
25
26
27
27
6
7
7
8
9
10
11
FIT
1:1
100%

Артикул

Название

Примечание

Количество

1

2A5-06-11932

Radio

2

20Y-43-42130

Plate

3

01023-60510

Screw

4

01010-80616

Bolt

5

01643-30623

Washer

6

08912-51600

Cord

7

2A5-06-11792

Wiring Harness

8

08034-20414

Band

9

08059-00310

Clip

10

2A5-06-12111

Cable

11

08034-20414

Band

12

01023-60410

Screw

13

08037-11425

Grommet

14

208-53-12280

Cap

15

20Y-43-31513

Lever

16

2A5-43-11720

Cover

17

20Y-43-31611

Knob

18

2A5-43-11650

Cover

19

20Y-43-31432

Cam

20

01252-70816

Bolt

21

20Y-43-31421

Spring

22

20Y-43-31440

Ring

23

20Y-43-31450

Plate

24

06124-01616

Bearing

25

22U-06-22490

Plate

26

22U-06-22360

Switch Assembly

27

22U-43-23260

Clip

28

01023-60320

Screw

Выбрано товаров: 28