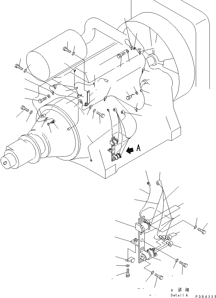
Запчасти Komatsu PC380LC-6K ЭЛЕКТРОПРОВОДКА (Э/ПРОВОДКА ДВИГАТЕЛЯ) КОМПОНЕНТЫ ДВИГАТЕЛЯ

Схема запчастей Komatsu PC380LC-6K - ЭЛЕКТРОПРОВОДКА (Э/ПРОВОДКА ДВИГАТЕЛЯ) КОМПОНЕНТЫ ДВИГАТЕЛЯ
1
2
2
2
2
2
2
3
3
3
4
4
4
5
6
7
8
8
9
10
11
11
12
13
14
15
16
17
18
19
20
21
21
22
23
24
25
26
27
27
27
27
27
28
28
29
29
29
30
31
32
33
34
35
36
37
38
39
40
FIT
1:1
100%

Артикул

Название

Примечание

Количество

1

207-06-K2112

WIRING HARNESS

2

08036-91214

CLIP

3

01010-81020

BOLT

4

01643-31032

WASHER

5

08053-01512

CLIP

6

01010-81020

BOLT

7

01643-31032

WASHER

8

08036-91210

CLIP

9

01010-80816

BOLT

10

01643-30823

WASHER

11

08036-91014

CLIP

12

01010-81220

BOLT

13

01643-31232

WASHER

14

207-06-K1390

BRACKET

15

01010-81020

BOLT

16

01643-31032

WASHER

17

207-06-68190

BRACKET

18

01010-81225

BOLT

19

01643-31032

WASHER

20

08036-A0814

CLIP

21

08038-10035

CAP

22

08034-00414

BAND

23

600-815-2170

SWITCH

24

01010-80620

BOLT

25

01643-30623

WASHER

26

20Y-06-18170

WIRE

27

08038-10525

CAP

28

08038-10519

CAP

29

04434-50508

CLIP

30

01010-80816

BOLT

31

01643-30823

WASHER

32

08034-00310

BAND

33

203-06-59320

SWITCH

34

207-06-68210

WIRE

35

207-06-K2310

WIRE

36

207-06-58180

WIRE

37

01010-80820

BOLT

38

01643-30823

WASHER

39

7861-92-2310

SENSOR

40

07005-02216

GASKET

Выбрано товаров: 40