Запчасти Komatsu PC380LC-6K ТОПЛИВН. БАК. ТОПЛИВН. БАК. AND КОМПОНЕНТЫ

Схема запчастей Komatsu PC380LC-6K - ТОПЛИВН. БАК. ТОПЛИВН. БАК. AND КОМПОНЕНТЫ
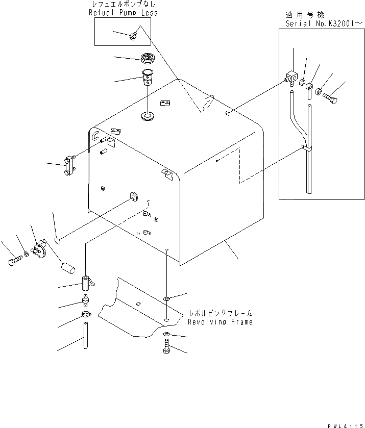
1
2
3
4
5
6
7
8
9
10
11
12
13
14
15
16
17
18
19
20
20
FIT
1:1
100%

Артикул

Название

Примечание

Количество

|1

207-04-K1400

FUEL TANK ASS'Y

|1

207-04-68200

FUEL TANK ASS'Y

1

207-04-K1360

TANK

|1

207-04-68210

TANK

2

CAP

3

STRAINER

|3

STRAINER

4

20Y-04-11130

VALVE

5

7861-92-5810

SENSOR

6

07000-13050

O-RING

7

01010-80612

BOLT

8

01643-30623

WASHER

9

01010-61635

BOLT

10

01643-31645

WASHER

11

195-03-11570

SHIM¤ 1.0MM

12

154-04-11540

NIPPLE

13

07288-01001

HOSE

14

07281-00197

CLAMP

15

20Y-04-21220

GAUGE

|15

21S-04-11151

GAUGE

16

203-04-K1140

END,BLANK

17

20Y-04-21131

ELBOW

18

20Y-04-21141

TUBE

19

07206-30508

BOLT

20

07005-00812

GASKET

Выбрано товаров: 25