Запчасти Komatsu PC380LC-6K ВСАСЫВ. ЛИНИЯ ГИДРАВЛИКА

Схема запчастей Komatsu PC380LC-6K - ВСАСЫВ. ЛИНИЯ ГИДРАВЛИКА
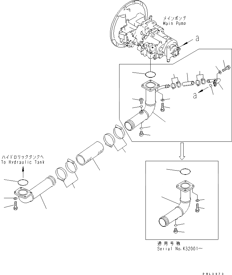
1
2
3
4
5
6
6
7
8
8
9
10
11
12
13
13
14
14
14
15
15
15
16
16
17
17
18
18
FIT
1:1
100%

Артикул

Название

Примечание

Количество

1

207-62-61151

TUBE

|1

207-62-61150

TUBE

2

07000-02105

O-RING

3

01010-81240

BOLT

4

01643-31232

WASHER

5

07260-09936

HOSE

|5

07260-09932

HOSE

6

07289-00120

CLAMP

7

07260-02616

HOSE

8

07289-00035

CLAMP

9

207-62-61180

TUBE

10

07000-03028

O-RING

11

01010-81030

BOLT

12

01643-31032

WASHER

13

207-62-61173

TUBE

|13

207-62-61171

TUBE

14

07040-12414

PLUG

15

07002-02434

O-RING

16

07000-02105

O-RING

17

01010-81240

BOLT

18

01643-31232

WASHER

Выбрано товаров: 0