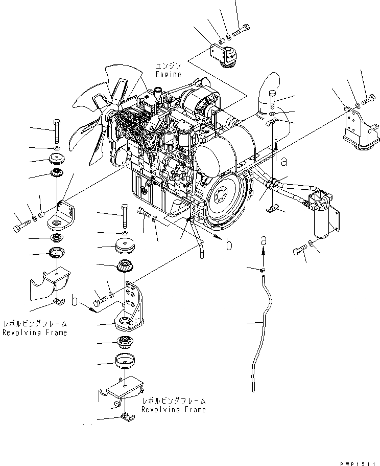
Запчасти Komatsu PC380LC-7K КРЕПЛЕНИЕ ДВИГАТЕЛЯ КОМПОНЕНТЫ ДВИГАТЕЛЯ

Схема запчастей Komatsu PC380LC-7K - КРЕПЛЕНИЕ ДВИГАТЕЛЯ КОМПОНЕНТЫ ДВИГАТЕЛЯ
1
1
2
3
4
5
6
7
7
8
9
10
11
12
13
13
14
14
15
16
17
18
19
20
21
22
23
24
25
26
26
27
27
28
28
29
29
30
30
31
32
FIT
1:1
100%

Артикул

Название

Примечание

Количество

1

23S-01-11140

CUSHION

2

207-01-61150

STOPPER

3

207-01-61160

STOPPER

4

207-01-55181

BOLT

5

207-01-61211

PLATE

6

01643-31845

WASHER

7

208-01-55220

CUSHION

8

207-01-61170

STOPPER

9

207-01-61180

STOPPER

10

208-01-11181

BOLT

11

207-01-61221

PLATE

12

01643-32460

WASHER

13

07094-30620

CLAMP

14

07095-00630

CUSHION

15

01010-81275

BOLT

16

01643-31232

WASHER

17

04434-52512

CLIP

18

01010-81220

BOLT

19

01643-31232

WASHER

20

07260-20932

HOSE

21

07285-00155

CLIP

22

207-01-71111

BRACKET

23

207-01-71121

BRACKET

24

207-01-71132

BRACKET

25

207-01-71141

BRACKET

26

01010-81275

BOLT

27

01643-31232

WASHER

28

01010-81645

BOLT

29

01643-31645

WASHER

30

195-43-41530

COLLAR

31

01010-81230

BOLT

32

01643-31232

WASHER

Выбрано товаров: 32