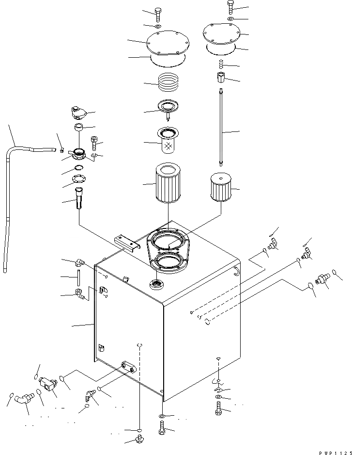
Запчасти Komatsu PC380LC-7K ГИДР. БАК. ГИДРАВЛИКА

Схема запчастей Komatsu PC380LC-7K - ГИДР. БАК. ГИДРАВЛИКА
1
2
2
3
4
5
6
7
8
9
10
11
12
13
14
15
16
17
18
19
20
21
22
23
24
25
26
27
28
29
30
31
32
33
34
35
36
37
38
39
40
41
42
43
44
45
46
47
48
49
50
50
51
51
52
FIT
1:1
100%

Артикул

Название

Примечание

Количество

1

207-60-71111

TANK

2

203-60-31100

ELBOW ASS'Y

3

203-60-31160

TUBE

4

207-60-71180

ELEMENT

5

20Y-60-31140

STRAINER

6

20Y-60-31131

VALVE ASS'Y

7

20Y-60-21240

SPRING

8

22U-60-21231

COVER

9

07000-15195

O-RING

10

01010-81230

BOLT

11

01643-31232

WASHER

|12

20Y-60-31171

STRAINER ASS'Y

12

207-60-61150

ROD ASS'Y

13

20Y-60-21320

HOLDER

14

12R-60-11230

SPRING

15

22B-60-11160

STRAINER

16

207-60-71131

COVER

17

07000-15160

O-RING

18

01010-81230

BOLT

19

01643-31232

WASHER

20

17A-60-11310

CAP ASS'Y

21

20Y-60-21470

ELEMENT

22

20Y-60-21460

NECK

23

20Y-60-21340

GASKET

24

01252-70516

BOLT

25

01601-20513

WASHER

26

07285-00155

CLIP

27

07270-61412

TUBE

28

07056-10045

STRAINER

29

04065-04718

RING

30

07044-12412

PLUG

31

07002-12434

O-RING

32

207-62-72171

ELBOW

33

07002-12434

O-RING

34

02896-11018

O-RING

35

02782-10522

ELBOW

36

07002-12434

O-RING

37

02896-11015

O-RING

38

02783-10315

ELBOW

39

07002-12034

O-RING

40

02896-11009

O-RING

41

207-62-72110

UNION

42

07002-13334

O-RING

43

207-62-64740

O-RING

44

02782-10315

ELBOW

45

07002-12034

O-RING

46

02896-11009

O-RING

47

11Y-62-12160

ELBOW

48

07002-11423

O-RING

49

02896-11008

O-RING

50

01010-81635

BOLT

51

01643-31645

WASHER

52

195-03-11570

SHIM¤ 1.0MM

Выбрано товаров: 53