Запчасти Komatsu PC380LC-7K ВОЗВРАТНАЯ ЛИНИЯ( АКТУАТОР) ГИДРАВЛИКА

Схема запчастей Komatsu PC380LC-7K - ВОЗВРАТНАЯ ЛИНИЯ( АКТУАТОР) ГИДРАВЛИКА
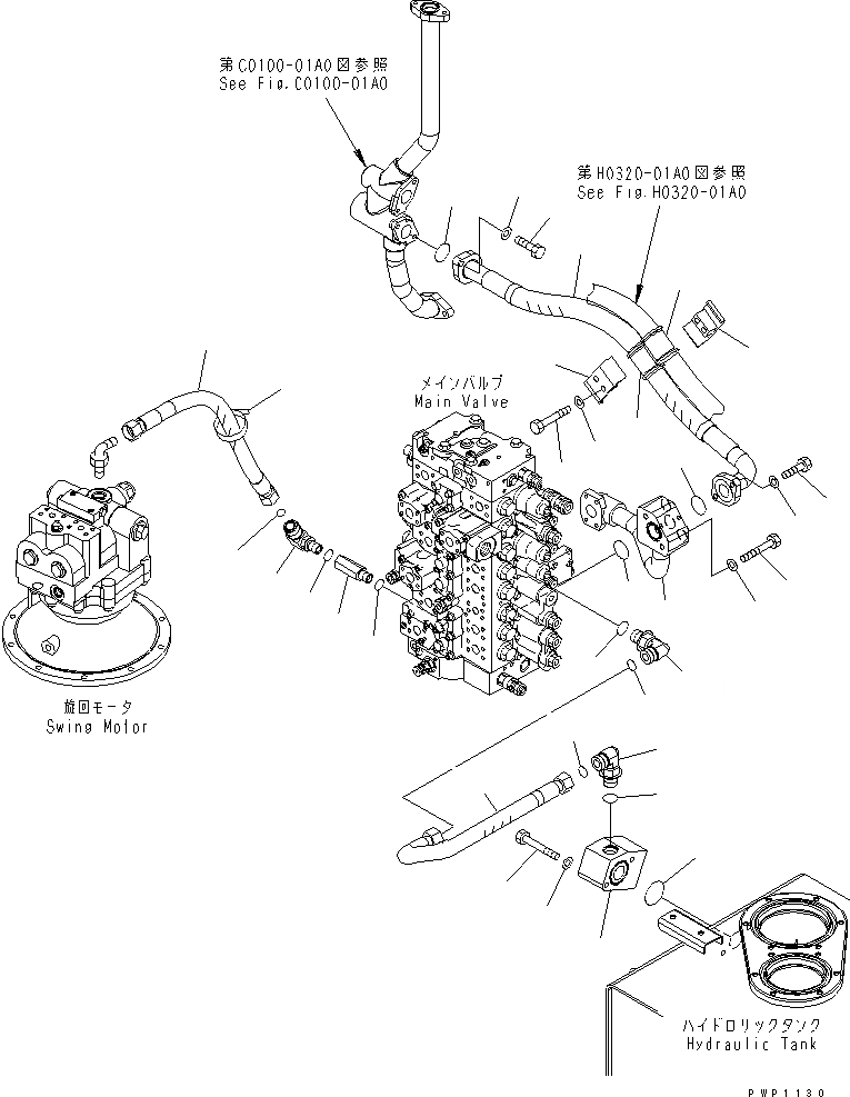
1
2
3
4
5
6
6
7
7
8
8
9
10
10
11
12
13
14
15
16
17
18
19
20
21
22
23
24
25
25
26
26
27
27
28
FIT
1:1
100%

Артикул

Название

Примечание

Количество

1

207-62-73211

TUBE

2

07000-13045

O-RING

3

01010-81275

BOLT

4

01643-31232

WASHER

5

207-62-73330

HOSE¤ 1000MM

6

07000-13048

O-RING

7

01010-81240

BOLT

8

01643-31232

WASHER

9

207-62-K1491

CLAMP

10

07095-01245

CUSHION

11

207-62-K1481

CLAMP

12

01010-81270

BOLT

13

01643-31232

WASHER

14

207-62-72770

HOSE¤ 950MM

15

08034-20536

BAND

16

203-62-61410

JOINT

17

07002-12434

O-RING

18

207-62-72131

ELBOW

19

207-62-64740

O-RING

20

07002-12434

O-RING

21

207-62-71340

BLOCK

22

07000-12060

O-RING

23

01011-81205

BOLT

24

01643-31232

WASHER

25

21W-62-42640

ELBOW

26

207-62-64740

O-RING

27

07002-13334

O-RING

28

207-62-71390

HOSE

Выбрано товаров: 28