Качественные детали и логистика
Оригинальные и аналоговые запчасти с доставкой по России, Казахстану и Беларуси
©2022 PartSell ООО "Система" ИНН 2463123282 ОГРН 1212400004838
Центральный офис: г. Красноярск, Академика Киренского, д.87, пом.4
Телефон: 8 (800) 777-65-74 Email: zakaz@partsell.ru
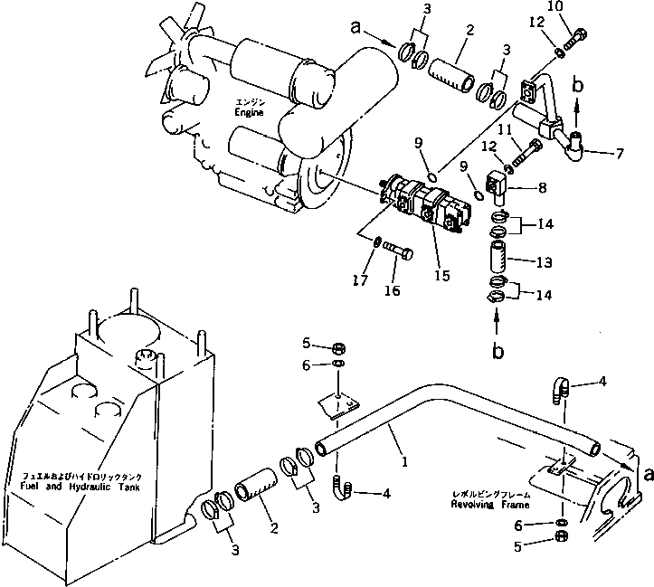
ГИДРОЛИНИЯ (ИЗ БАКА В НАСОС)
№
Артикул
Название
Примечание
Количество
1
21X-62-11110
TUBE
2
07260-04113
HOSE
3
07281-00609
CLAMP
4
07283-24346
CLIP
5
01599-01011
NUT
6
01643-31032
WASHER
7
21X-62-11122
|7
21X-62-11121
8
21X-62-11131
9
07000-03025
O-RING
10
01010-50830
BOLT
11
01010-50855
12
01602-20825
WASHER,SPRING
13
07260-02609
14
07281-00419
15
705-41-08001
PUMP ASS'Y,(SEE FIG.6101)
16
01010-51030
17
Выбрано товаров: 0