Запчасти Komatsu PC38UU-1 ПРУЖИНА ХОДОВАЯ

Схема запчастей Komatsu PC38UU-1 - ПРУЖИНА ХОДОВАЯ
FIT
1:1
100%

Артикул

Название

Примечание

Количество

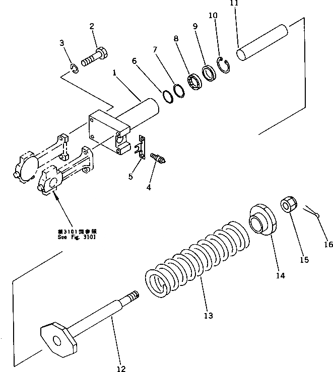
1

20T-30-41510

CYLINDER

2

01010-51260

BOLT

3

01602-21236

WASHER,SPRING

4

07959-20001

VALVE,LUBRICATION

4

07959-20000

VALVE,LUBRICATION

5

20S-30-21550

PLATE

6

07000-13040

O-RING

7

20R-30-21550

RING,BACK-UP

8

07016-00407

SEAL,DUST

9

201-30-24170

SPACER

10

04065-05220

RING,SNAP

11

20T-30-41520

ROD

11

20R-30-21521

ROD

12

20T-30-31410

ROD

13

20T-30-31210

SPRING

14

20T-30-41530

BRACKET

14

20T-30-31420

BRACKET

15

01590-12427

NUT

16

04050-15045

PIN,COTTER

Выбрано товаров: 19