Запчасти Komatsu PC38UU-1 ПАНЕЛЬ ПРИБОРОВ КОМПОНЕНТЫ ДВИГАТЕЛЯ И ЭЛЕКТРИКА

Схема запчастей Komatsu PC38UU-1 - ПАНЕЛЬ ПРИБОРОВ КОМПОНЕНТЫ ДВИГАТЕЛЯ И ЭЛЕКТРИКА
FIT
1:1
100%

Артикул

Название

Примечание

Количество

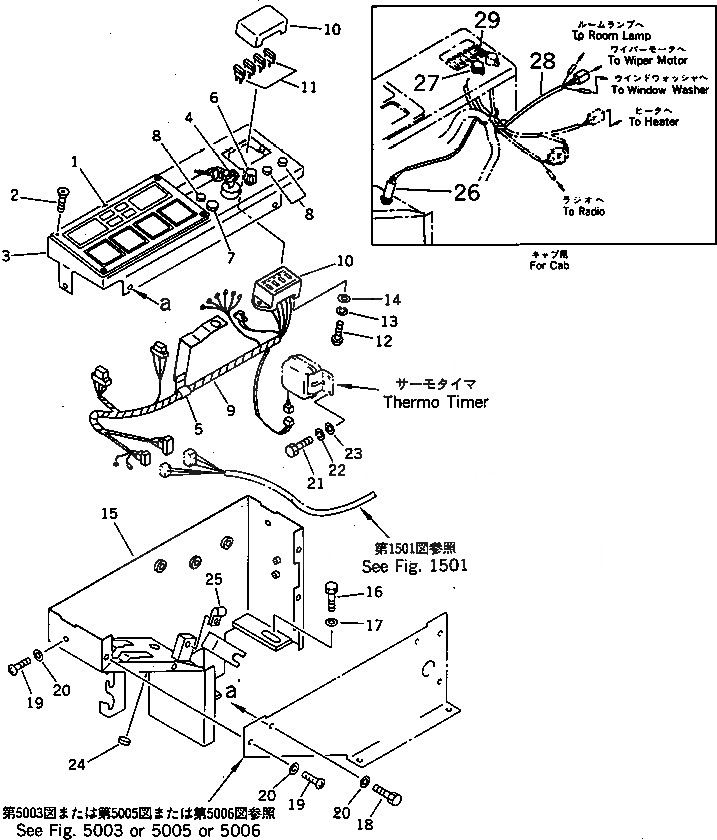
G-1

21X-54-X0051

PANEL GROUP

G-1

21X-54-X0050

PANEL GROUP

1

20S-06-21240

GAUGE ASS'Y,(SEE FIG.1421)

2

01224-70520

SCREW

3

21X-06-12210

PANEL

4

20S-06-31130

STARTING SWITCH,STARTING

5

21X-06-11120

PLATE

6

205-06-71331

SWITCH,LAMP

7

09415-01610

CAP

8

09415-00706

CAP

9

21X-06-11131

WIRING HARNESS

10

205-06-71480

FUSE BOX

11

22W-06-13150

FUSE, 5A

11

283-06-16190

FUSE, 10A

11

22W-06-13160

FUSE, 20A

12

01220-40516

SCREW

13

01601-20513

WASHER,SPRING

14

01641-20508

WASHER

15

21X-54-13213

BOX,PANEL

15

21X-54-13212

BOX,PANEL

15

21X-54-13211

BOX,PANEL

16

01010-51025

BOLT

17

01643-31032

WASHER

18

21X-43-11460

BOLT

19

01220-70816

SCREW

20

21X-43-11470

WASHER

21

01010-50612

BOLT

22

01602-20619

WASHER,SPRING

23

01643-30623

WASHER

24

09415-01008

CAP

25

08035-01510

CLIP

26

20S-06-31710

BREAKER,(FOR CAB)

27

205-06-71341

SWITCH,WIPER (FOR CAB)

28

21X-06-12140

WIRE ASS'Y,(FOR CAB)

29

283-06-16190

FUSE, 10A,(FOR CAB)

Выбрано товаров: 35