Запчасти Komatsu PC38UU-2 СТРЕЛА (1¤ 2-Я СТРЕЛА¤ 3 КОРПУС И SUB СОЕДИНИТЕЛЬН. ЗВЕНО) (ДЛЯ МОЛОТА РУКОЯТЬ)(№9-) РАБОЧЕЕ ОБОРУДОВАНИЕ

Схема запчастей Komatsu PC38UU-2 - СТРЕЛА (1¤ 2-Я СТРЕЛА¤ 3 КОРПУС И SUB СОЕДИНИТЕЛЬН. ЗВЕНО) (ДЛЯ МОЛОТА РУКОЯТЬ)(№9-) РАБОЧЕЕ ОБОРУДОВАНИЕ
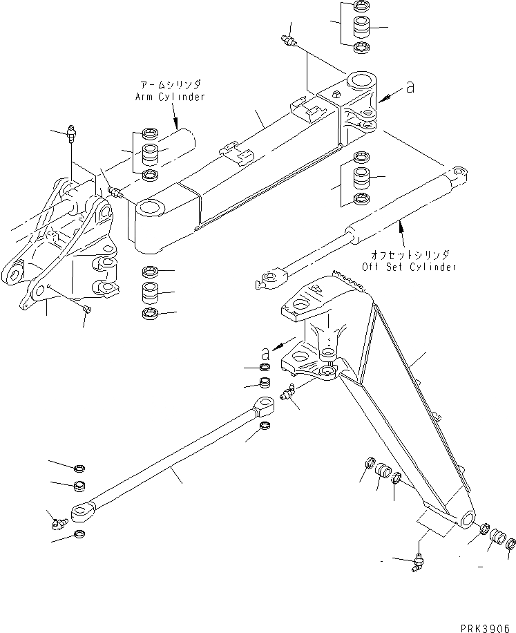
1
2
2
3
4
4
4
4
5
6
6
6
6
7
7
8
8
8
8
8
9
10
11
12
12
13
13
13
13
14
14
15
FIT
1:1
100%

Артикул

Название

Примечание

Количество

|$1

21X-970-0321

BOOM ASS'Y,1ST

|$2

21X-970-0320

BOOM ASS'Y,1ST

1

BOOM,1ST

1

BOOM,1ST

2

20S-70-71140

BUSHING

3

07020-00675

FITTING,GREASE

4

07145-00045

SEAL,DUST

|$8

21X-70-00220

BOOM ASS'Y,2ND

5

BOOM,2ND

6

20U-70-21490

BUSHING

7

07020-00000

FITTING,GREASE

8

07145-00070

SEAL,DUST

9

21X-970-2450

BRACKET,3RD

10

07020-00900

FITTING,GREASE

|$15

21X-70-00420

LINK ASS'Y,SUB

11

21X-70-21251

LINK SUB

11

21X-70-21250

LINK,SUB

12

07144-10404

BUSHING

13

07145-00040

SEAL,DUST

14

07020-00675

FITTING,GREASE

15

07049-01012

PLUG

Выбрано товаров: 21