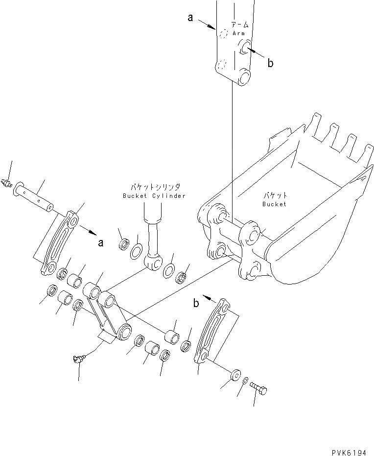
Запчасти Komatsu PC38UU-2 СОЕДИНЕНИЕ КОВША (ДЛЯ M-ТИП КОВШ)(№8-) РАБОЧЕЕ ОБОРУДОВАНИЕ

Схема запчастей Komatsu PC38UU-2 - СОЕДИНЕНИЕ КОВША (ДЛЯ M-ТИП КОВШ)(№8-) РАБОЧЕЕ ОБОРУДОВАНИЕ
1
2
3
4
5
6
7
8
9
9
10
10
11
12
12
12
12
13
13
14
14
14
14
FIT
1:1
100%

Артикул

Название

Примечание

Количество

1

20S-70-71421

LINK

2

20S-70-71431

LINK,R.H.

3

20S-70-71451

PIN

4

07020-00000

FITTING,GREASE

5

20S-70-71270

PLATE

6

01010-81635

BOLT

7

01643-31645

WASHER

|$8

20S-70-00670

BUCKET ASS'Y

8

LINK

9

20S-70-11270

BUSHING

10

07144-10404

BUSHING

11

07020-00675

FITTING,GREASE

12

07145-00035

SEAL,DUST

13

20S-70-71490

SHIM, 2.5MM

14

07145-00040

SEAL,DUST

Выбрано товаров: 0