Запчасти Komatsu PC38UU-2 ЛИНИЯ ПОДАЧИ ГИДРАВЛИКА

Схема запчастей Komatsu PC38UU-2 - ЛИНИЯ ПОДАЧИ ГИДРАВЛИКА
FIT
1:1
100%

Артикул

Название

Примечание

Количество

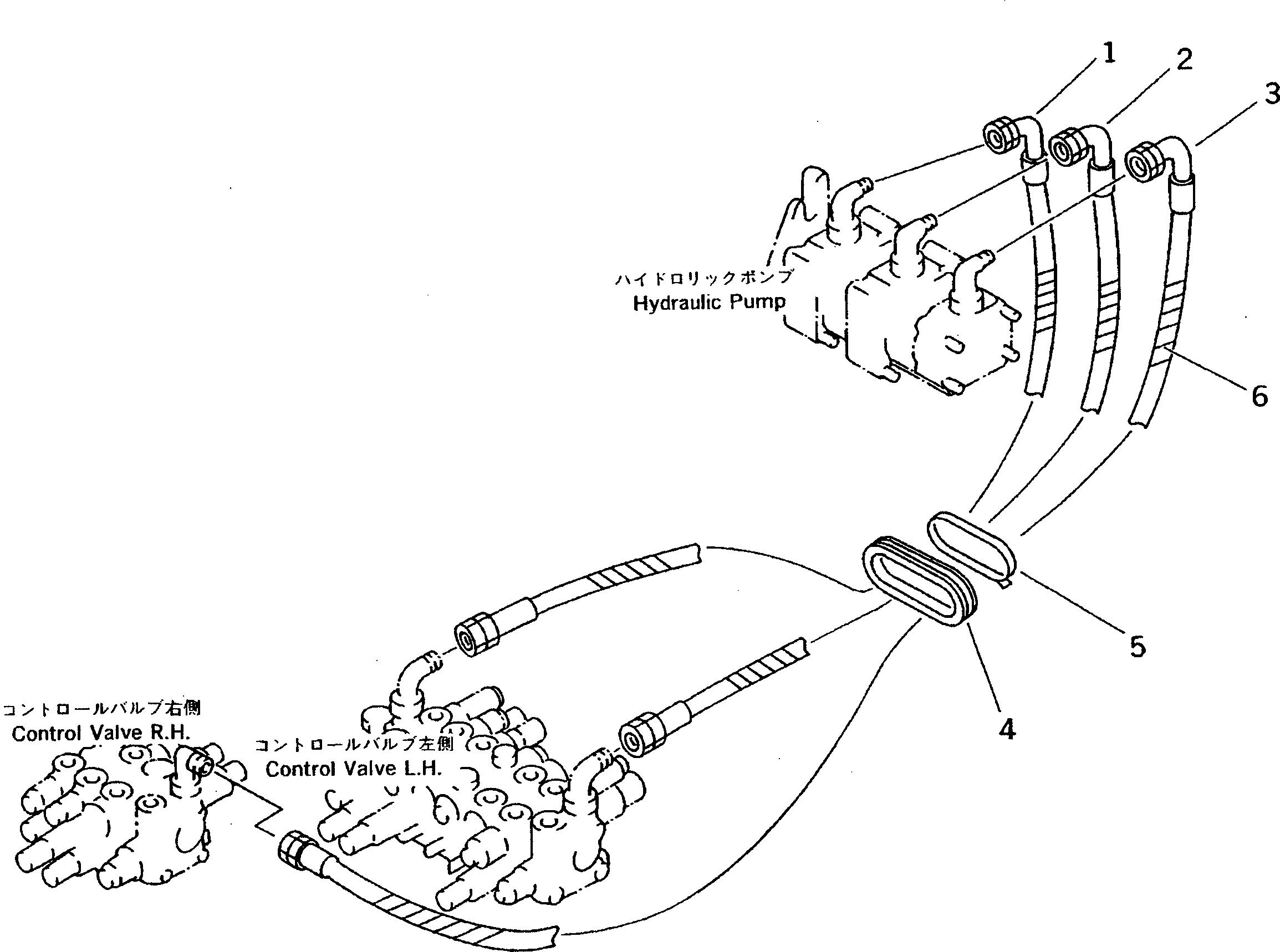
1

21X-62-22510

HOSE

2

21X-62-22510

HOSE

3

21X-62-22520

HOSE

4

21X-62-21180

GROMMET

5

08034-00823

BAND

6

203-62-58650

COVER

Выбрано товаров: 0